EasyManua.ls Logo

SIMAG SDN25 - SDN 65 Model Schematics

SIMAG SDN25
45 pages
Print Icon
To Next Page IconTo Next Page
To Next Page IconTo Next Page
To Previous Page IconTo Previous Page
To Previous Page IconTo Previous Page
Loading...
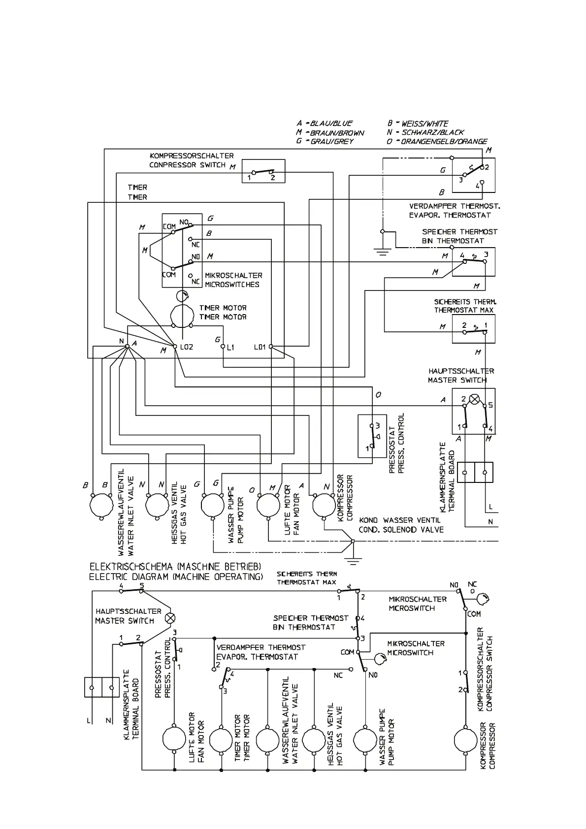
WIRING DIAGRAM - SCHALTUNGSSCHEMA
230/50/1
AIR COOLED - LUFTGEKÜHLT
SDN 65
G

Related product manuals