EasyManua.ls Logo

Sime AR4 - Page 7

Sime AR4
Print Icon
To Next Page IconTo Next Page
To Next Page IconTo Next Page
To Previous Page IconTo Previous Page
To Previous Page IconTo Previous Page
Loading...
NOTA: Conservare con i documenti della
caldaia il “Certificato di Collaudo” inserito
nella camera di combustione.
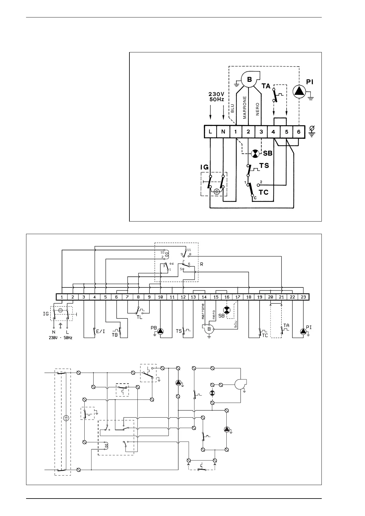
2.6 ALLACCIAMENTO ELETTRICO
La caldaia è corredata di cavo elettrico di
alimentazione e dovrà essere alimentata
con tensione monofase 230V - 50Hz attra-
verso un interruttore generale protetto da
fusibili.
Il cavo del regolatore climatico, la cui instal-
lazione è d'obbligo per ottenere una miglio-
re regolazione della temperatura ambiente,
dovrà essere collegato come indicato in fig.
6. Collegare quindi il cavo di alimentazione
del bruciatore e della pompa di circolazione
dell’impianto forniti a corredo.
NOTA: L’apparecchio deve essere collega-
to a un efficace impianto di messa a
terra. La SIME declina qualsiasi responsa-
bilità per danni a persone derivanti dalla
mancata messa a terra della caldaia.
Prima di effettuare qualsiasi operazione
sul quadro elettrico disinserire l’alimenta-
zione elettrica.
5
LEGENDA
TS Termostato sicurezza
TA Regolatore climatico
TC Termostato caldaia
IG Interruttore generale
PI Pompa impianto
B Bruciatore
SB Spia blocco bruciatore
Fig. 6
Serie “AR”
LEGENDA
TS Termostato sicurezza
SB Spia blocco bruciatore
EI Interruttore Est. - Inv.
TA Regolatore climatico
TB Termostato bollitore
TC Termostato caldaia
TL Termostato limite
IG Interruttore generale
PB Pompa bollitore
PI Pompa impianto
B Bruciatore
R Relé
Fig. 6/a
1
IG
TS
10
2
3
1
4
11
9
8
7
6
5
R
5
6
8
TL
9
PB
11
4
E/I
7
mar
r
one
13
14
12
19
22
TC
18
23
17
SB
16
15
230 V - 50 Hz
N
L
3
10
B
blu
ner
o
2
20
21
TA
TB
PI
Serie “ARB”

Table of Contents

Other manuals for Sime AR4

Related product manuals