EasyManua.ls Logo

Sime ECOMAXI VB 80 - Page 13

Sime ECOMAXI VB 80
Print Icon
To Next Page IconTo Next Page
To Next Page IconTo Next Page
To Previous Page IconTo Previous Page
To Previous Page IconTo Previous Page
Loading...
13
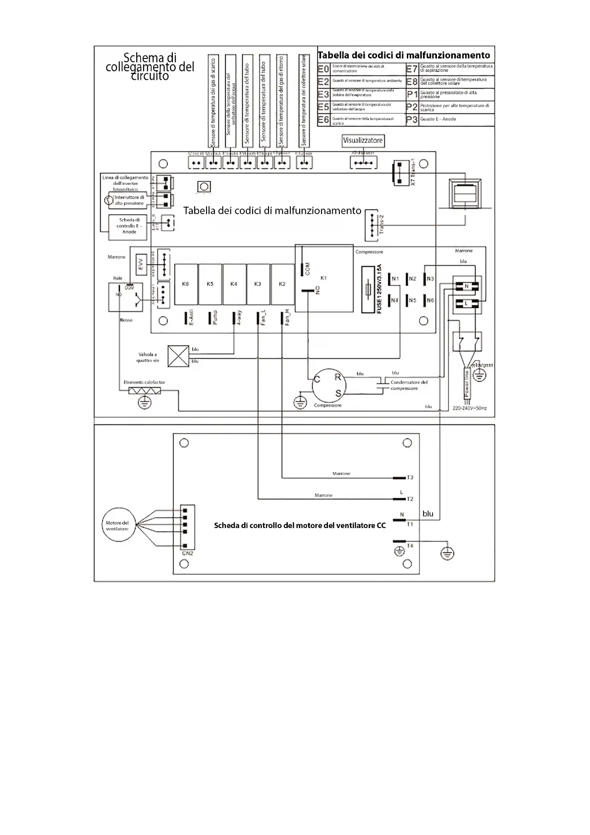
10. Schema di cablaggio
Fig.8 Schema di cablaggio della serie
Tipo e portata del fusibile: fusibile a cartuccia, 3,15AL250V.
ATTENZIONE
Questo schema è solo di riferimento. Se il contenuto di questo schema differisce da quello
dell'apparecchio, fare riferimento allo schema elettrico contenuto nella centralina elettrica
dell'apparecchio.

Related product manuals