EasyManua.ls Logo

Sime ECOMAXI VB 80 - Part 2: Cautions of Using

Sime ECOMAXI VB 80
Print Icon
To Next Page IconTo Next Page
To Next Page IconTo Next Page
To Previous Page IconTo Previous Page
To Previous Page IconTo Previous Page
Loading...
5
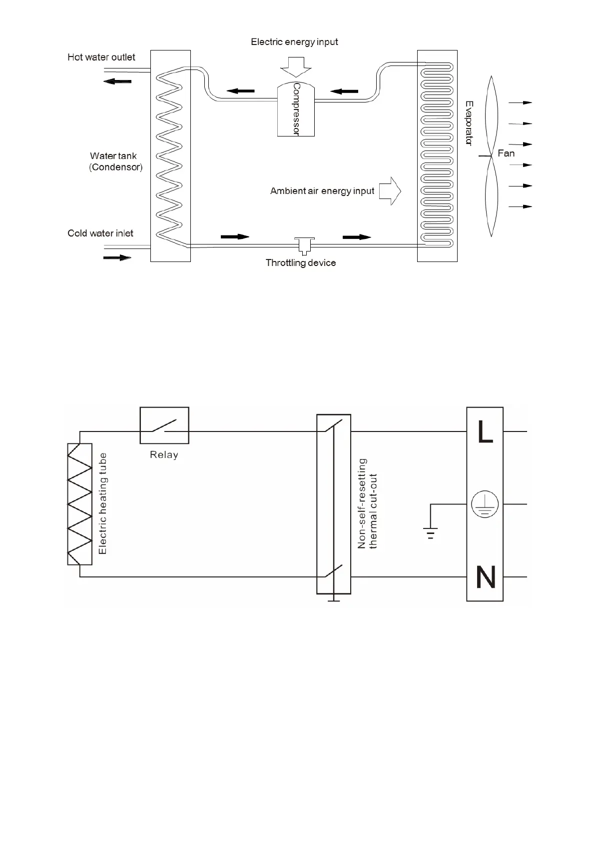
Fig.1 Working principles of air source heat pump water heater
2. Working Principles of Electricity-Assistant Heating
Electric heating transfers the electric energy into the thermal energy, from which water will absorb
constantly and the temperature rises. When the temperature reaches the setting temperature, the
temperature control devices (which is on the PCB board) will shut off power supply automatically, then
the electric heating stops working. If dry-heating and anti-overheating phenomenon occurs, the
protection devices will shut off immediately for protection.
Fig.2 Working principles of electricity-assistant heating
Part 2: Cautions of Using
● Make sure to install Y filter at the water inlet during installation.
Remove the plug of condensed water outlet and keep it unblocked before using the air source heat
pump water heater.
When finished installation, please check again that the water tank is filled with water before
supplying power.
● Before using the appliance, make sure that one PPR connecting pipe which no shorter than 1.5 m has
been installed to the water inlet.

Related product manuals