EasyManua.ls Logo

Sime ECOMAXI VB 80 - Page 45

Sime ECOMAXI VB 80
Print Icon
To Next Page IconTo Next Page
To Next Page IconTo Next Page
To Previous Page IconTo Previous Page
To Previous Page IconTo Previous Page
Loading...
13
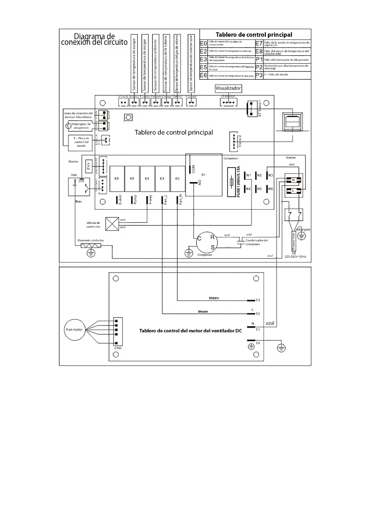
10. Diagrama de Cableado
Fig.8 Diagrama de Cableado en Serie
Tipo y capacidad del fusible: cinta fusible de cartucho, 3.15AL250V.
ATENCIÓN
Este diagrama es solo para referencia. Cuando el contenido del diagrama anterior difiera del que aparece
en el aparato, por favor consulte el diagrama eléctrico de la caja de control eléctrico del aparato.

Related product manuals