EasyManua.ls Logo

Sime ECOMAXI VB 80 - Page 74

Sime ECOMAXI VB 80
Print Icon
To Next Page IconTo Next Page
To Next Page IconTo Next Page
To Previous Page IconTo Previous Page
To Previous Page IconTo Previous Page
Loading...
10
● Example 3.
The appliance installed in balcony or semi-enclosed space can charge cool and fresh air into room.
Inlet air from outdoor without duct, outlet air ducted to room. Air outlet duct length≤3m.
4. Installation/Usage Requirements (Please refer to the installation diagrams)
The appliance should be placed horizontal, and water pipes, water filter, electricity guards and
one-way safety valve should be installed in accordance with the national standards.
Water filling: Turn on the water outlet and water inlet valve. When there is water comes out of the
outlet means the water tank is full. You can switch on the heater after that.
The water quality should meet the following standards: Hardness (CaCO3) ≤200mg/L, Chloride ions
≤50mg/L, PH value 6.5~8.5, and you should clean the inner water tank regularly.
● If remove the sediment dirt of the inner water tank regularly, it will improve the working efficiency.
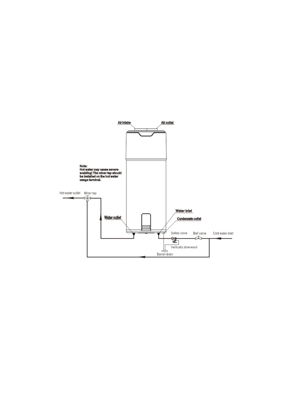
5. Pipeline System Connection
Fig.6 Pipeline system connection
ATTENTION
Do not use iron pipe to install the appliance. The water pipeline system should adopt new pipes that
can meet drinking water standards, such as CPVC/PPR pipe or PB. Please do not use smelly PVC pipe.
Install the water pipes, connectors and other parts according to above figure. If the installation
environment is under 0℃,all pipes should be with insulation treatment.
● Please keep the condensed water outlet and safety valve outlet clean and unblocked.
6. Pipeline Connection Instructions
(1) Installation requirements of water inlet pipes
Screw threads are G1/2” (male). The life span of pipes and pipe components cannot be shorter than the
life span of the appliance, and they should be able to withstand high temperature of 80, so as to
avoid damage.
(2) Installation requirements of safety valve connection pipes
Screw threads are G1/2'' (female), make sure the water can flow out of the safety valve and the

Related product manuals