EasyManua.ls Logo

Sime MURELLE HM - Page 22

Sime MURELLE HM
Print Icon
To Next Page IconTo Next Page
To Next Page IconTo Next Page
To Previous Page IconTo Previous Page
To Previous Page IconTo Previous Page
Loading...
22
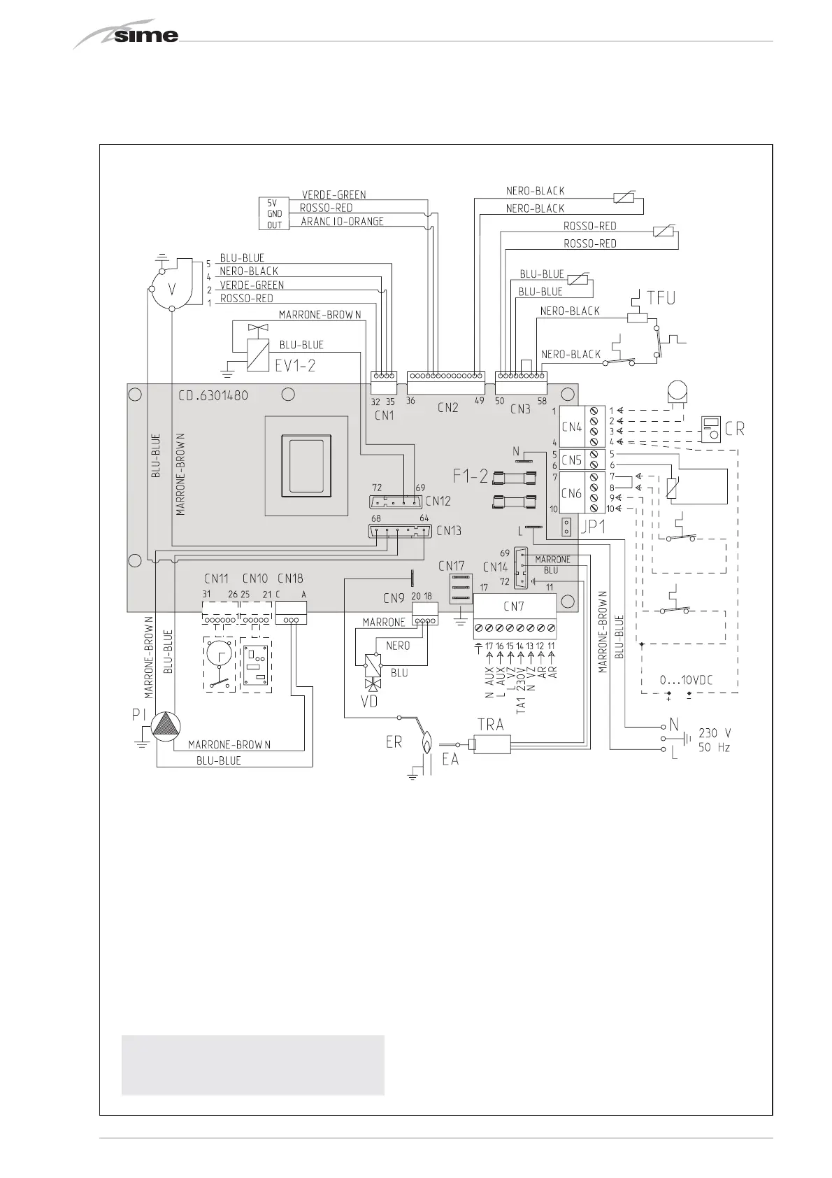
2.10 ESQUEMA ELÉCTRICO “25 T - 35 T” (fig. 11)
OP
(24 VAC)
EXP
(24 VRAC)
TA2
(24 VRAC)
TA1
(24 VRAC)
SB/SA
(5 VDC)
SE (5 VDC)
TS (24 VDC)
TL (24 VDC)
SM (5 VDC)
SF (5 VDC)
SR (5 VDC)
TPA (5 VDC)
Fig. 11
LEYENDA
F1-2 Fusible (4 AT)
TRA Transformador de encendido
PI Bomba i
nstalación
V Ventilador
TL Termostato de límite
EA Electrodo encendido
ER Electrodo detección
EV 1-2 Bobina válvula gas
TS Termostato de seguridad
SF Sonda humos
TFU Termofusible
VD Válvula desviadora
SM Sonda ida calefacción
SR Sonda retorno calefacción
TPA Transductor de presión
TA1 Termostato ambiente Zona 1
TA2 Termostato ambiente Zona 2
JP1 Seleccione TA2 o 0-10 VDC
SB/SA Sonda calentador/anti-hielo sifón
CR Control remoto CR 73 (opcional)
SE Sonda temperatura externa (incluida)
OP Reloj programador (opcional)
EXP Tarjeta expansión
AR Alarma remota
VZ Válvula de zona
AUX Conexión auxiliar
NOTA: Conectar el TA1 a los bornes 7-8
después de sacar el puente.
CÓDIGOS REPUESTOS
CONECTORES:
CN1/13 cód. 6319146
CN2 cód. 6319144
CN3 cód. 6319145
CN4 cód. 6316203
CN5 cód. 6316200
CN6 cód. 6316202
CN7 cód. 6316204
CN9 cód. 6316295
CN12 cód. 6316280
CN14 cód. 6316213
CN18 cód. 6319147
Para el rango de 0 ... 10VCC:
- Retirar el jumper JP1
- Conectar la señal positiva en la terminal 10 de CN6
- Conectar la señal negativa en la terminal 4 de CN4.

Related product manuals