EasyManua.ls Logo

SIMONINI Racing MINI 3 - Page 4

SIMONINI Racing MINI 3
14 pages
Print Icon
To Next Page IconTo Next Page
To Next Page IconTo Next Page
To Previous Page IconTo Previous Page
To Previous Page IconTo Previous Page
Loading...
page 4
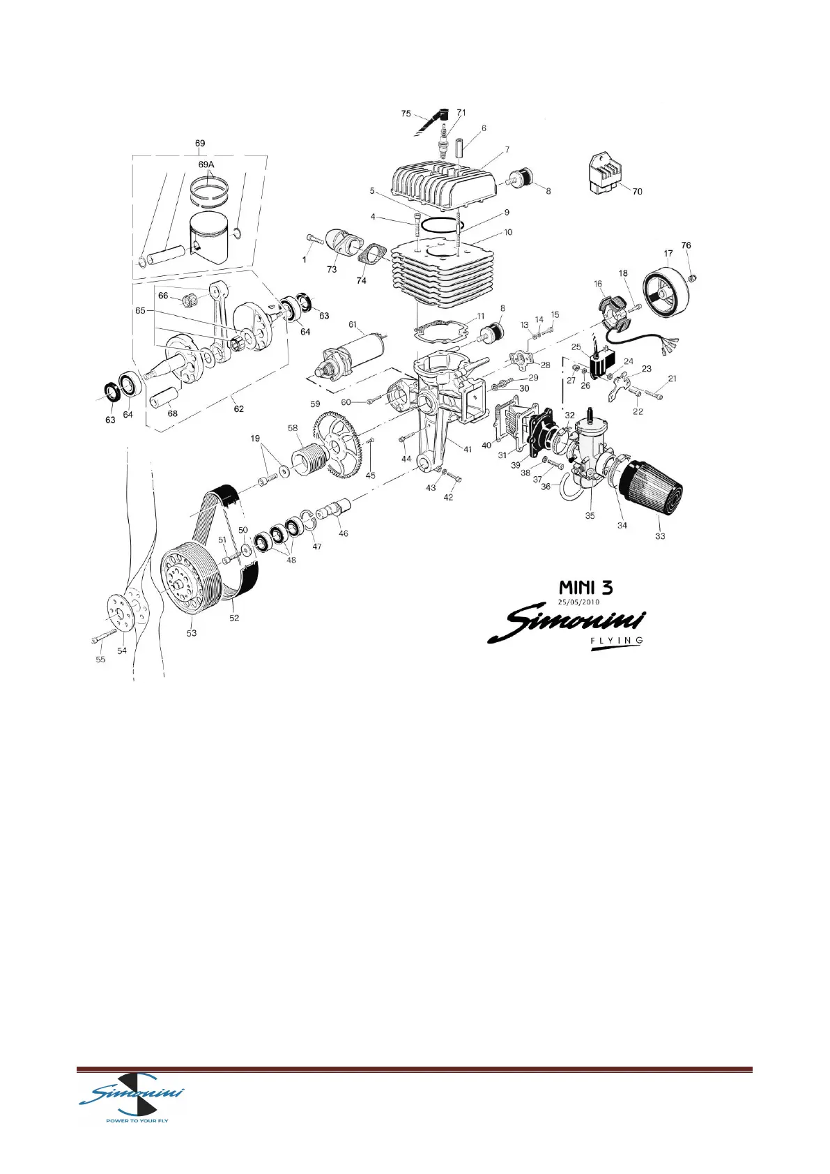
MINI 3/01
KIT ENGINE SCREWS
MINI 3/29
WASHER-PRESSURE OUTLET
MINI 3/64
COMPLETE SET OF BEARINGS
MINI 3/02
COMPLETE EXHAUST SYSTEM
MINI 3/31A
REED VALVE NEW MODEL
MINI 3/65
COMPLETE ROD
MINI 3/03
COMPLETE SET OF GASKETS
MINI 3/33
AIR FILTER
MINI 3/66
ROD CAGE
MINI 3/04
COMPLETE SET OF ENGINE SCREWS
MINI 3/35
BING 54 CARBURETTOR
MINI 3/69
COMPLETE PISTON AND RINGS
MINI 3/05
CYLINDER HEAD GASKET
MINI 3/39A
RUBBER MANIFOLD NEW MODEL
MINI 3/69A
TWO RINGS MM. 72,80
MINI 3/06
KIT SCREWS FOR HEAD ( 4 )
MINI 3/41
CRANK-CASE
MINI 3/70
RECTIFIER RECHARGE BATTERY
MINI 3/07
CYLINDER HEAD
MINI 3/46
ECCENTRIC PINION
MINI 3/71
SPARK PLUG BR 10 ES
MINI 3/08
KIT SILENT-BLOCK (6)
MINI 3/47
SEEGER REDUCTION
MINI 3/72
PLATE FOR FIXING EXHAUST
MINI 3/09
KIT SCREWS FOR CYLINDER
MINI 3/48
SET OF REDUCTION BEARINGS
MINI 3/73
EXHAUST MANIFOLD AND
SPRINGS
MINI 3/10
CYLINDER
MINI 3/52
POLY-V BELT
MINI 3/74
EXHAUST GASKET
MINI 3/11
CYLINDER GASKET
MINI 3/53
REDUCTION PULLEY
MINI 3/75
RUBBER FOR SPARK PLUG
MINI 3/16
STATOR
MINI 3/54
ALUMINIUM PLATE FOR PROP
MINI 3/76
NUT AND WASHER FOR FLYWHEEL
MINI 3/17
FLY WHEEL
MINI 3/58
REDUCTION PINION
A72
COMPLETE AIRBOX
MINI 3/19
SCREW AND WASHER FOR PINION
MINI 3/59
CROWN WHEEL
A73
SPONGE FOR AIRBOX
MINI 3/23
ALUMINIUM PLATE FOR COIL
MINI 3/61
COMPLETE ELECTRIC STARTER
A74
RUBBER FOR AIRBOX
MINI 3/25
COMPLETE COIL
MINI 3/62
COMPLETE CRANKSHAFT AND ROD
A75
CLAMP FOR AIRBOX
MINI 3/28
ALUMINIUM PLATE FOR STATOR
MINI 3/63
COMPLETE SET OF SEALS

Related product manuals