EasyManua.ls Logo

Simplicity Baron XL - Frame & Front Axle Group

Simplicity Baron XL
56 pages
Print Icon
To Next Page IconTo Next Page
To Next Page IconTo Next Page
To Previous Page IconTo Previous Page
To Previous Page IconTo Previous Page
Loading...
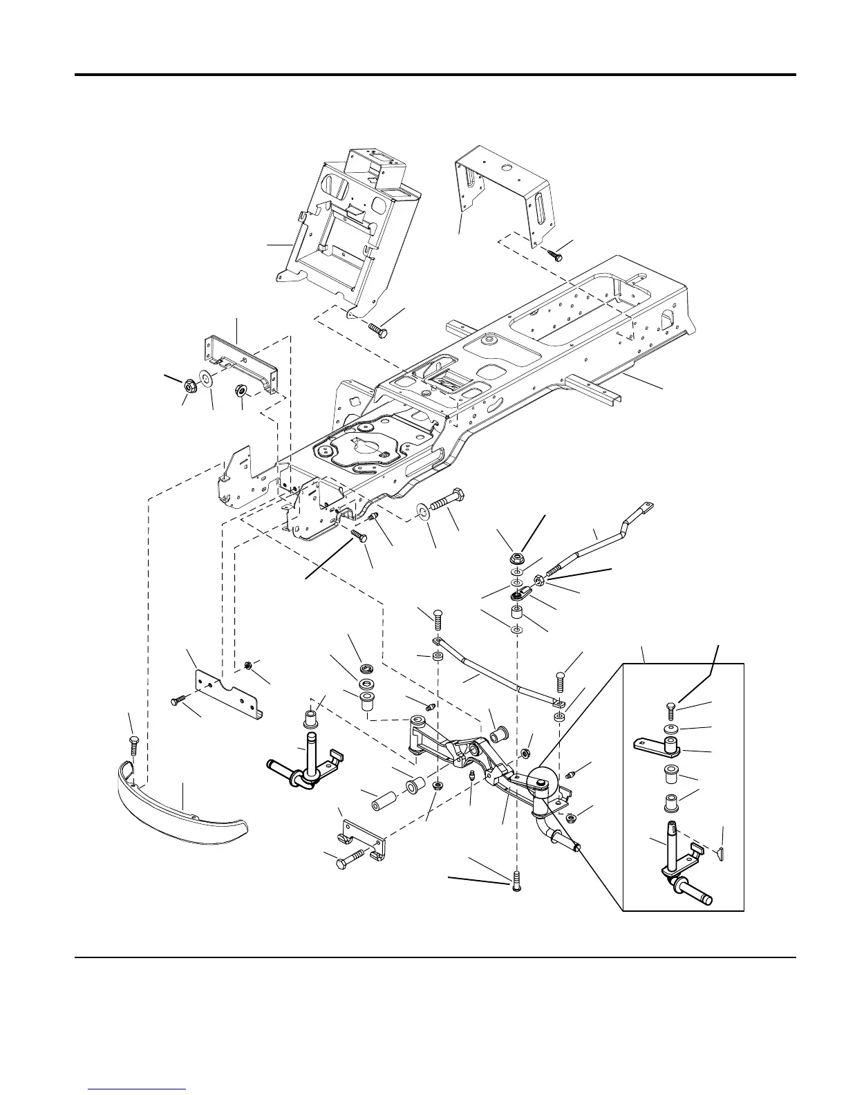
Frame & Front Axle Group
NOTE: Unless noted otherwise,
use the standard hardware torque
specification chart.
Torque to
150 ft. lbs.
(202 Nm)
Torque to
22-40 ft. lbs.
(30-54 Nm)
Torque to
13 ft. lbs.
Service Kit
1686985
Torque to
50-57 ft. lbs.
(48-56 Nm)
Torque to
22-40 ft. lbs.
(30-54 Nm)
Torque to
55-60 ft. lbs.
(74-81 Nm)
12
18
21
13
18
14
17
16
20
31
36
33
23
22
34
37
32
1
7
5
9
2
8
4
6
3
10
2
1515
19
20
42
1
1
1
35
22
22
22
43
41
24
33
24
26
27
28
30
29
25
11
40
38
39
986818
The above parts group applies to the following Mfg. Nos.:
2005
4
© Copyright Simplicity Manufacturing, Inc. All Rights Reserved.
1694670 - Baron XL
1694671 - Baron XL
1694672 - Baron XL
1694673 - Baron XL
TP 400-4198-00-BR-SM

Related product manuals