EasyManua.ls Logo

Simplicity CFC SERIES - Simplicity Height Adjustment and Roller Parts

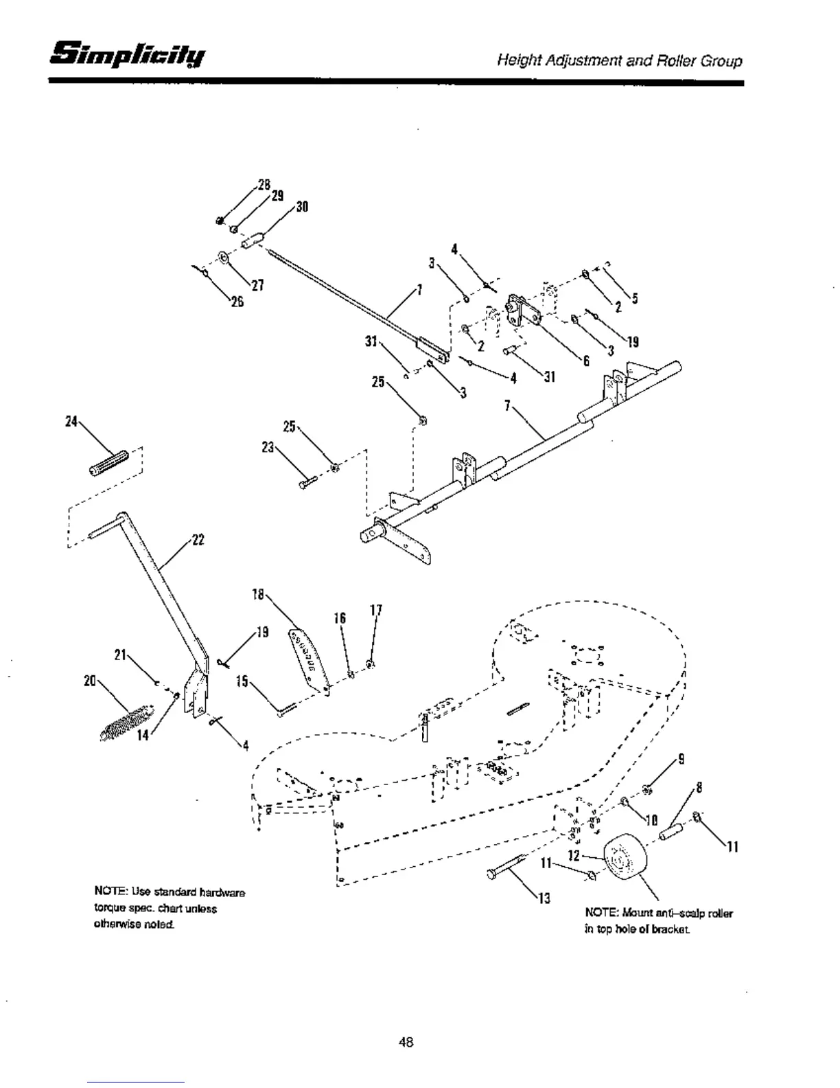
Simplicity CFC SERIES
72 pages
Print Icon
To Next Page IconTo Next Page
To Next Page IconTo Next Page
To Previous Page IconTo Previous Page
To Previous Page IconTo Previous Page
Loading...

Related product manuals