EasyManua.ls Logo

Simplicity Lecacy - 60 Mower Deck - Baffles (Export Models)

Simplicity Lecacy
140 pages
Print Icon
To Next Page IconTo Next Page
To Next Page IconTo Next Page
To Previous Page IconTo Previous Page
To Previous Page IconTo Previous Page
Loading...
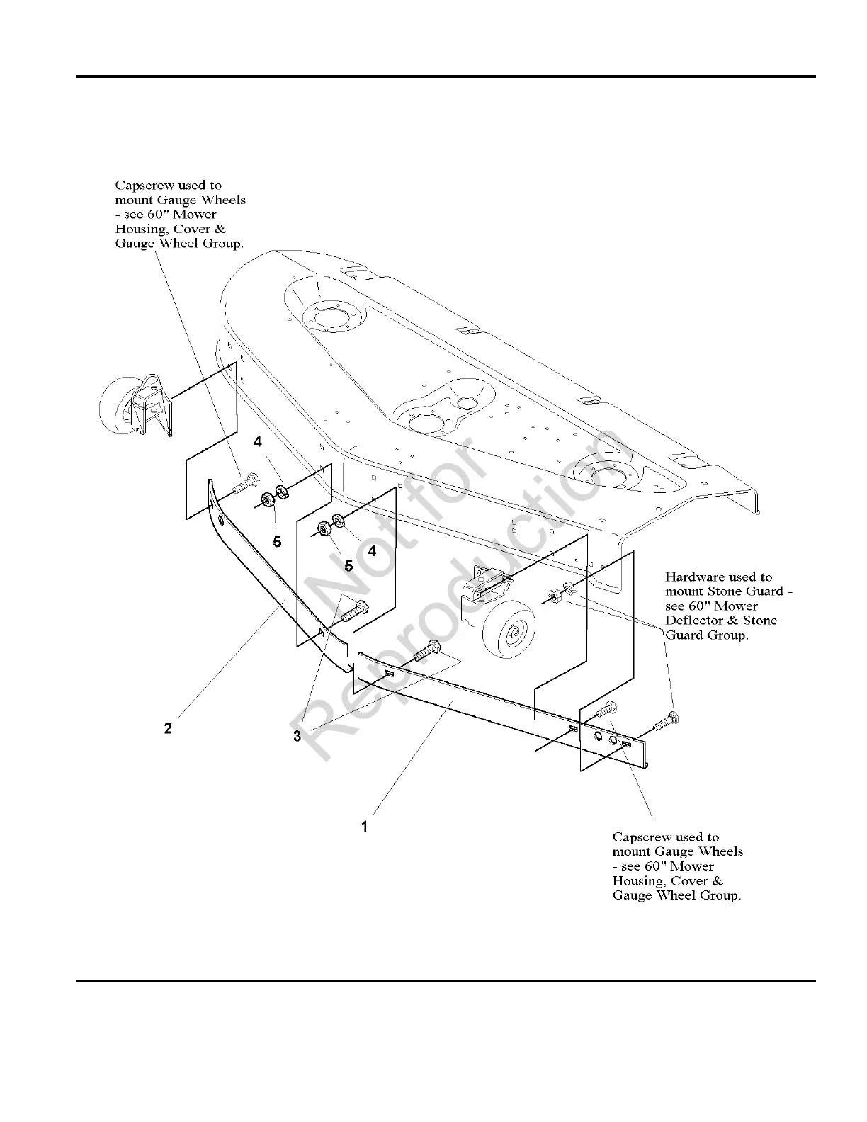
60" Mower Deck - Baffles (Export Models)
NOTE: Unless noted otherwise,
use the standard hardware torque
specification chart.
1686742
The above parts group applies to the following Mfg. Nos.:
118
2009
Milwaukee, WI, USA. All rights reserved
© Copyright by Briggs & Stratton Corporation
1693253 - 60" Mower
1694073 - 60" Mower
TP 400-2155-C-LG-SMA
Not for
Reproduction

Table of Contents

Related product manuals