EasyManua.ls Logo

Simplicity Legacy XL 2927 Series - 54 Mower Deck - Housing & Arbor Group

Simplicity Legacy XL 2927 Series
120 pages
To Next Page IconTo Next Page
To Next Page IconTo Next Page
To Previous Page IconTo Previous Page
To Previous Page IconTo Previous Page
Loading...
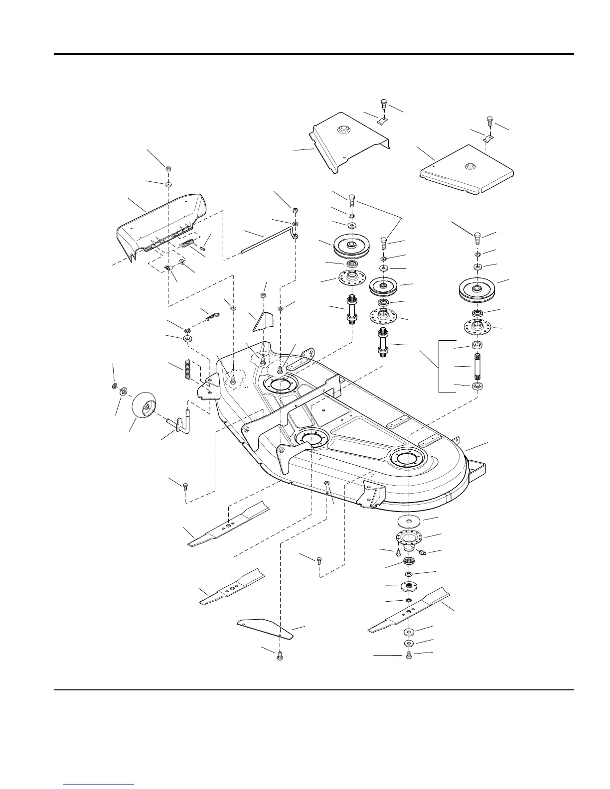
54" Mower Deck - Housing & Arbor Group
NOTE: Unless noted otherwise,
use the standard hardware torque
specification chart.
Torque to
50 - 70 ft. lbs.
(68-95 Nm)
Torque to
45 - 55 ft. lbs.
61 - 75 Nm.
11
17
15
17
12
18
14
1616
21
19
27
25
29
22
28
24
26
23
19
30
38
34
40
31
39
36
37
32
41
42
48
47
43
34
45
46
44
45
13
1
7
5
9
2
8
4
6
19
11
15
12
14
21
20
11
12
15
14
19
7
8
16
35
33
8
8
27
10
44
41
40
2
4
3
986347
The above parts group applies to the following Mfg. Nos.:
2005
102
© Copyright Simplicity Manufacturing, Inc. All Rights Reserved.
1694397 - 54" Mower
1694478 - 54" Mower
1694507 - 54" Mower
1694509 - 54" Mower
TP 400-3469-01-XL-SMA

Related product manuals