EasyManua.ls Logo

Simplicity ZT3000 - Hydraulic Group

Simplicity ZT3000
54 pages
Print Icon
To Next Page IconTo Next Page
To Next Page IconTo Next Page
To Previous Page IconTo Previous Page
To Previous Page IconTo Previous Page
Loading...
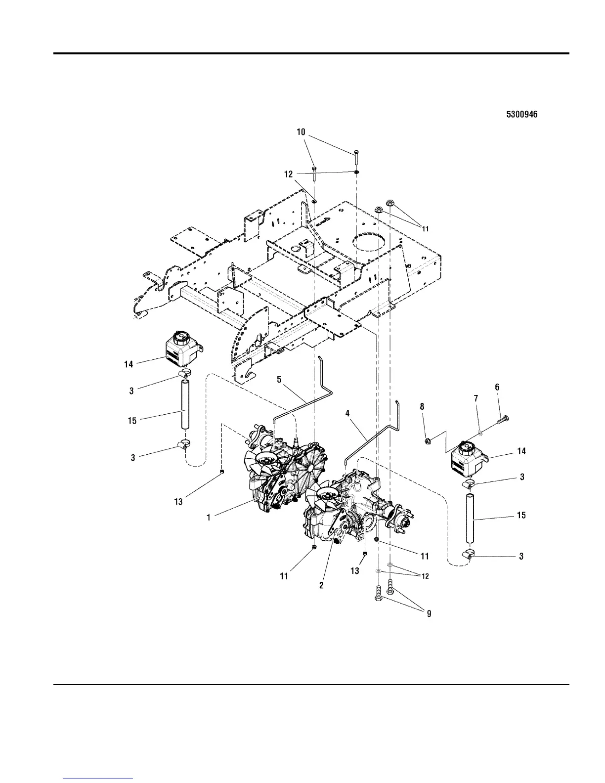
Hydraulic Group
NOTE: Unless noted otherwise, use
the standard hardware torque
specification chart.
5300946
The above parts group applies to the following Mfg. Nos.:
18
2008Copyright © by Briggs and Stratton Corporation
Briggs and Stratton Yard Power Products Group
Milwaukee, WI, USA. All rights reserved
5900660 - ZT3000B24
5900662 - ZT3000B24
5900684 - ZT3000B24
TP 400-7330-H-CH-S

Related product manuals