EasyManua.ls Logo

Simpson SCGH5500 - SCGH8500 E Specifications

Simpson SCGH5500
36 pages
Print Icon
To Next Page IconTo Next Page
To Next Page IconTo Next Page
To Previous Page IconTo Previous Page
To Previous Page IconTo Previous Page
Loading...
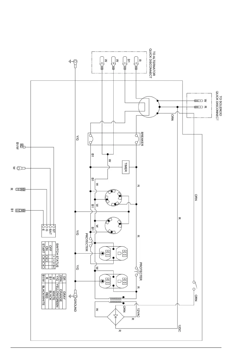
Page 30 REV F - 07/22/2021Part Number 7115316 / ENGLISH
SCGH8500E