EasyManua.ls Logo

Singer 7442 - Page 38

Singer 7442
40 pages
Print Icon
To Next Page IconTo Next Page
To Next Page IconTo Next Page
To Previous Page IconTo Previous Page
To Previous Page IconTo Previous Page
Loading...
- 38 -
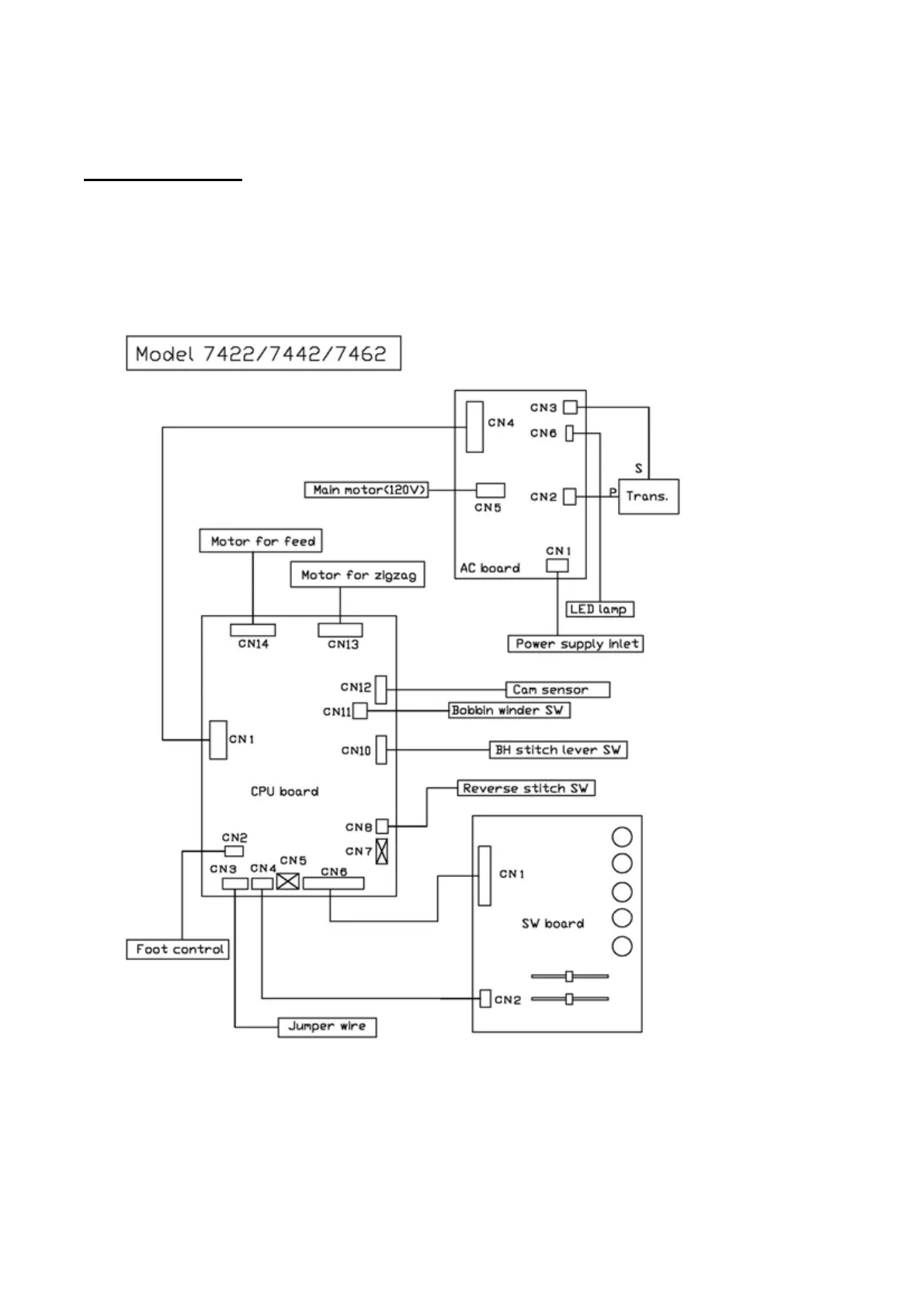
Wiring diagram

Other manuals for Singer 7442

Related product manuals