EasyManua.ls Logo

Ski-Doo Summit 500 1998 - Top End

Ski-Doo Summit 500 1998
398 pages
Print Icon
To Next Page IconTo Next Page
To Next Page IconTo Next Page
To Previous Page IconTo Previous Page
To Previous Page IconTo Previous Page
Loading...
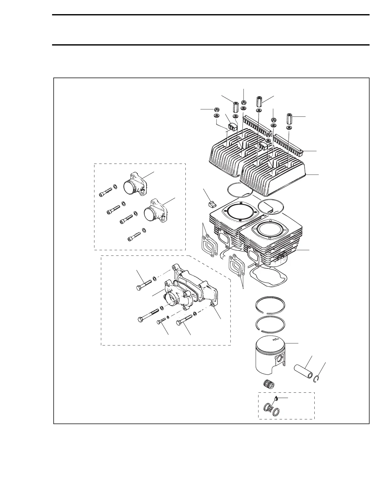
Section 04 ENGINE
Subsection 02 (443 AND 503 ENGINE TYPES)
04-02-5
TOP END
A22C0KS
2
22 N•m
(16 lbf•ft)
3
1
2
22 N•m
(16 lbf•ft)
2
22 N•m
(16 lbf•ft)
4
5
7
6
8
8
13
14
15
Grease
443
only
11
9
12
10
9
22 N•m
(16 lbf•ft)
22 N•m
(16 lbf•ft)
10
10
22 N•m
(16 lbf•ft)
503
only
443
only
1
1
FLAT RATE
PARTS

Table of Contents

Related product manuals