EasyManua.ls Logo

Ski-Doo Summit 500 1998 - Bottom End

Ski-Doo Summit 500 1998
398 pages
Print Icon
To Next Page IconTo Next Page
To Next Page IconTo Next Page
To Previous Page IconTo Previous Page
To Previous Page IconTo Previous Page
Loading...
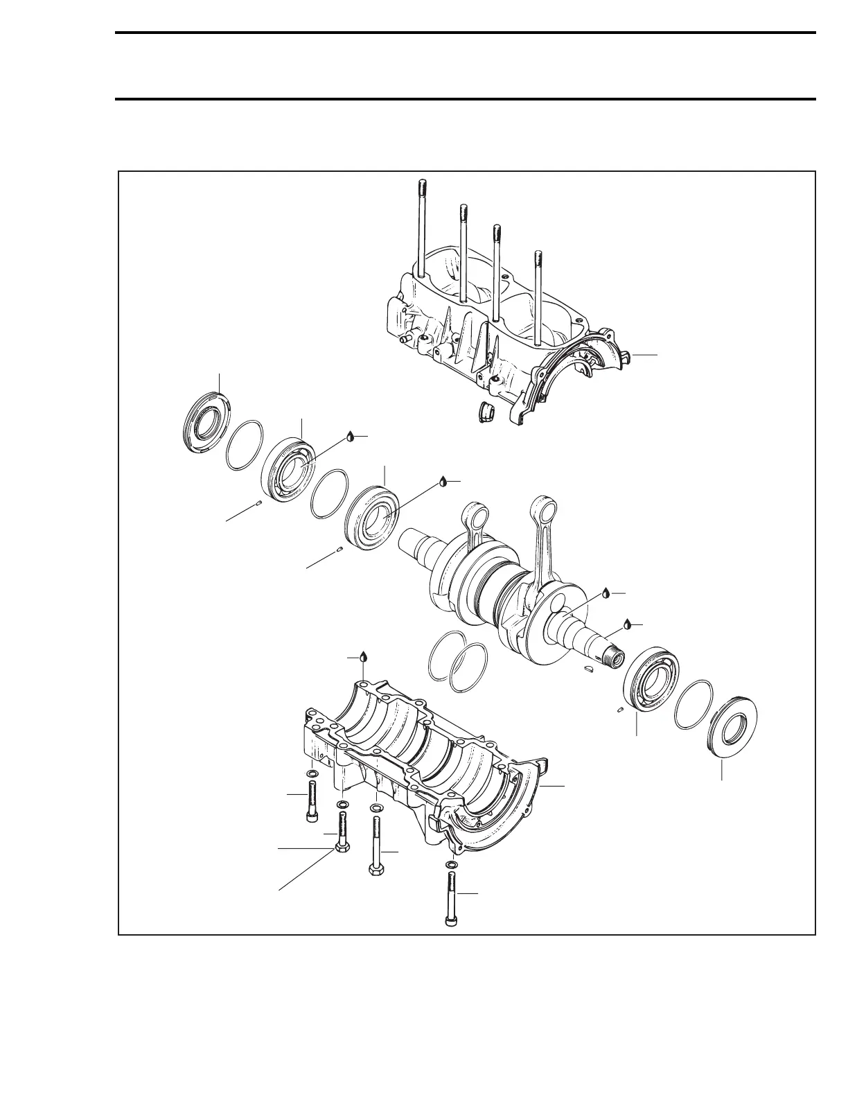
Section 04 ENGINE
Subsection 02 (443 AND 503 ENGINE TYPES)
04-02-11
BOTTOM END
A03C1IT
Anti-seize lubricant
Anti-seize lubricant
Anti-seize lubricant
22 N•m
(16 lbf•ft)
503: 22 N•m
(16 lbf•ft)
443: 10 N•m
(89 lbf•in)
11
9
8
7
6
5
2
4
3
3
2
1
10
10
Loctite 242
FLAT RATE
PARTS

Table of Contents

Related product manuals