EasyManua.ls Logo

Skyjack 4632 - Page 51

Skyjack 4632
207 pages
Print Icon
To Next Page IconTo Next Page
To Next Page IconTo Next Page
To Previous Page IconTo Previous Page
To Previous Page IconTo Previous Page
Loading...
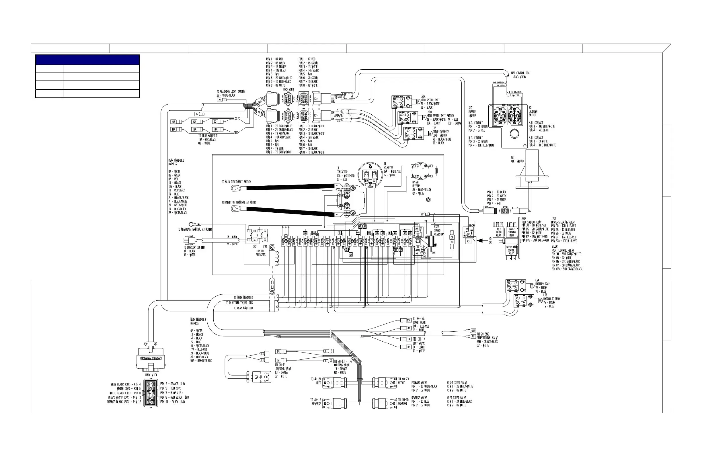
SECTION 3, Page 21SJIII Series - The Conventionals 129919
A B C D E F G H
V
Z
Y
X
W
Figure 3.4-1a. Electrical Panel Diagram - ANSI/CSA Models Equipped With No Options
(Refer to Serial No. Breakdown chart)
50191AE
Serial Breakdown Reference Chart
Model Serial Number
3220 60000966 & Below
3226 27002839 & Below
46XX 70003077 & Below
Figure 3.4-1b
Refer to following page(s) to locate model,
serial number and respective diagram
AI

Related product manuals