EasyManua.ls Logo

Skyjack 4632 - Page 59

Skyjack 4632
207 pages
Print Icon
To Next Page IconTo Next Page
To Next Page IconTo Next Page
To Previous Page IconTo Previous Page
To Previous Page IconTo Previous Page
Loading...
SECTION 3, Page 29SJIII Series - The Conventionals 129919
A B C D E F G H
V
Z
Y
X
W
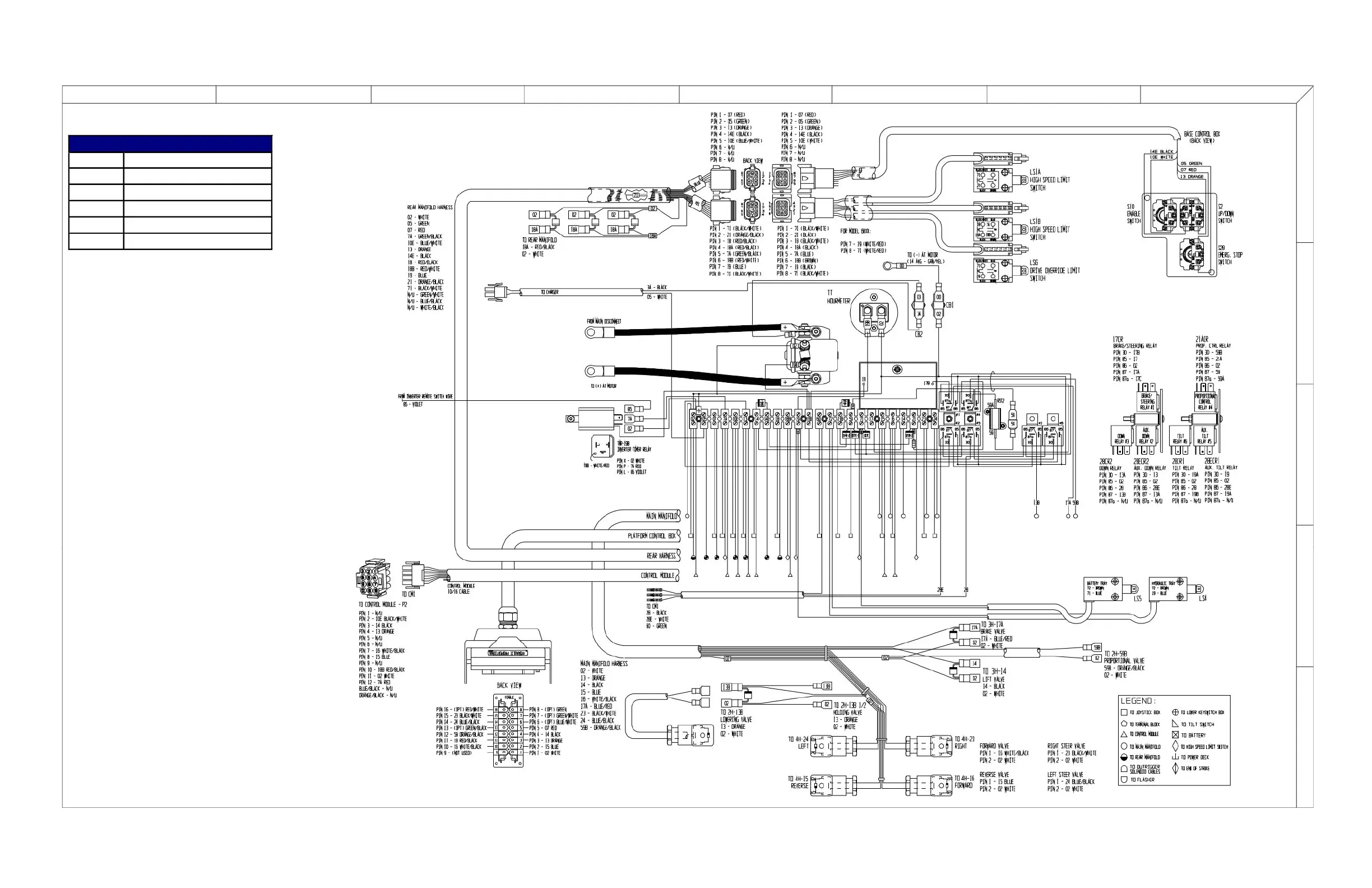
Figure 3.4-5a. Electrical Panel Diagram - CE Models Equipped With All Options
(Refer to Serial No. Breakdown chart)
50271AA
Figure 3.4-5b
Serial Breakdown Reference Chart
Model Serial Number
3220 618279 & Below
3226 275999 & Below
4620 715239 & Below
4626 714944 & Below
4632 714576 & Below
60506AA
Refer to following page(s) to locate model,
serial number and respective diagram
Note: For machines equipped with Load Sensing, refer to the
Load Sensing supplement manual.
AH

Related product manuals