EasyManua.ls Logo

Skyjack 4632 - Page 60

Skyjack 4632
207 pages
Print Icon
To Next Page IconTo Next Page
To Next Page IconTo Next Page
To Previous Page IconTo Previous Page
To Previous Page IconTo Previous Page
Loading...
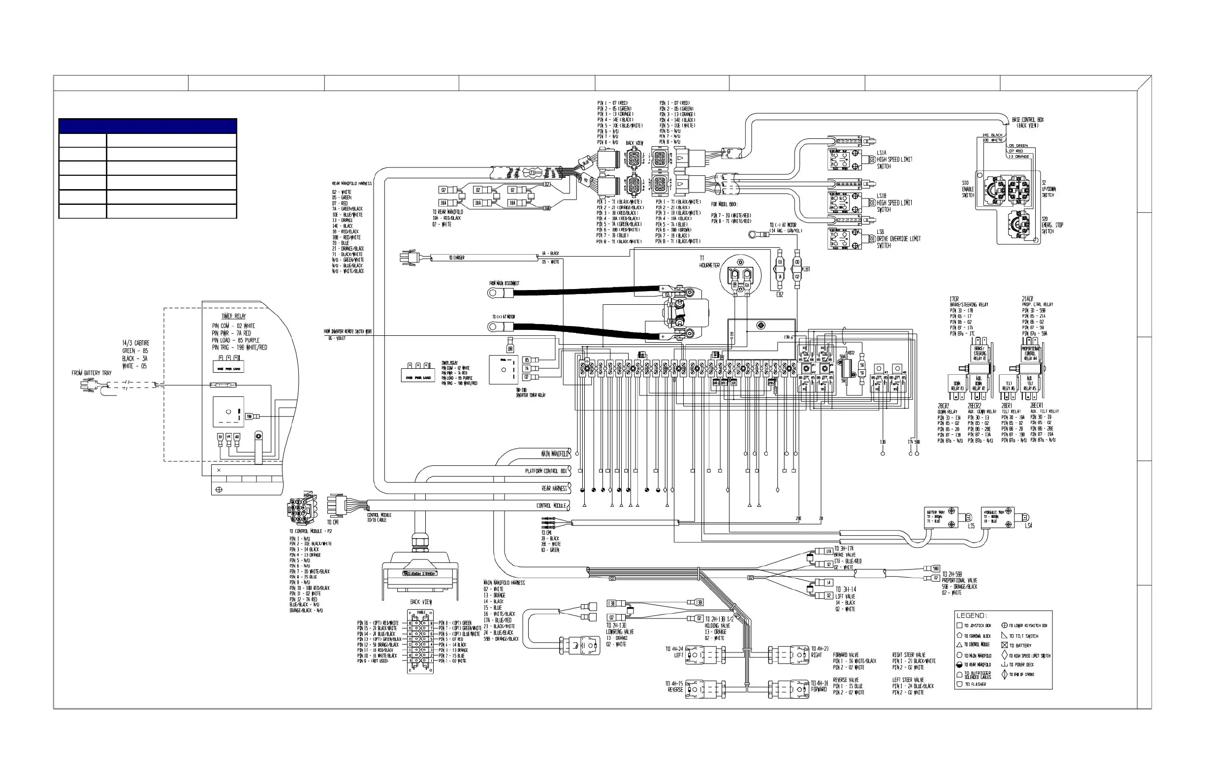
SECTION 3, Page 30 SJIII Series - The Conventionals 129919
A B C D E F G H
V
Z
Y
X
W
Figure 3.4-5b. Electrical Panel Diagram - CE Models Equipped With All Options
(Refer to Serial No. Breakdown chart)
50271AB M132625AC
AI
Figure 3.4-5a
Serial Breakdown Reference Chart
Model Serial Number
3220
618280 & Above
3226
276000 & Above
4620
715240 & Above
4626
714945 & Above
4632
714577 & Above
60507AA
Refer to following page(s) to locate model,
serial number and respective diagram
Note: For machines equipped with Load Sensing, refer to the
Load Sensing supplement manual.
INVETER OPTION
ALTERNATIVE INSTALLATION

Related product manuals