EasyManua.ls Logo

Skyjack 4632 - Page 61

Skyjack 4632
207 pages
Print Icon
To Next Page IconTo Next Page
To Next Page IconTo Next Page
To Previous Page IconTo Previous Page
To Previous Page IconTo Previous Page
Loading...
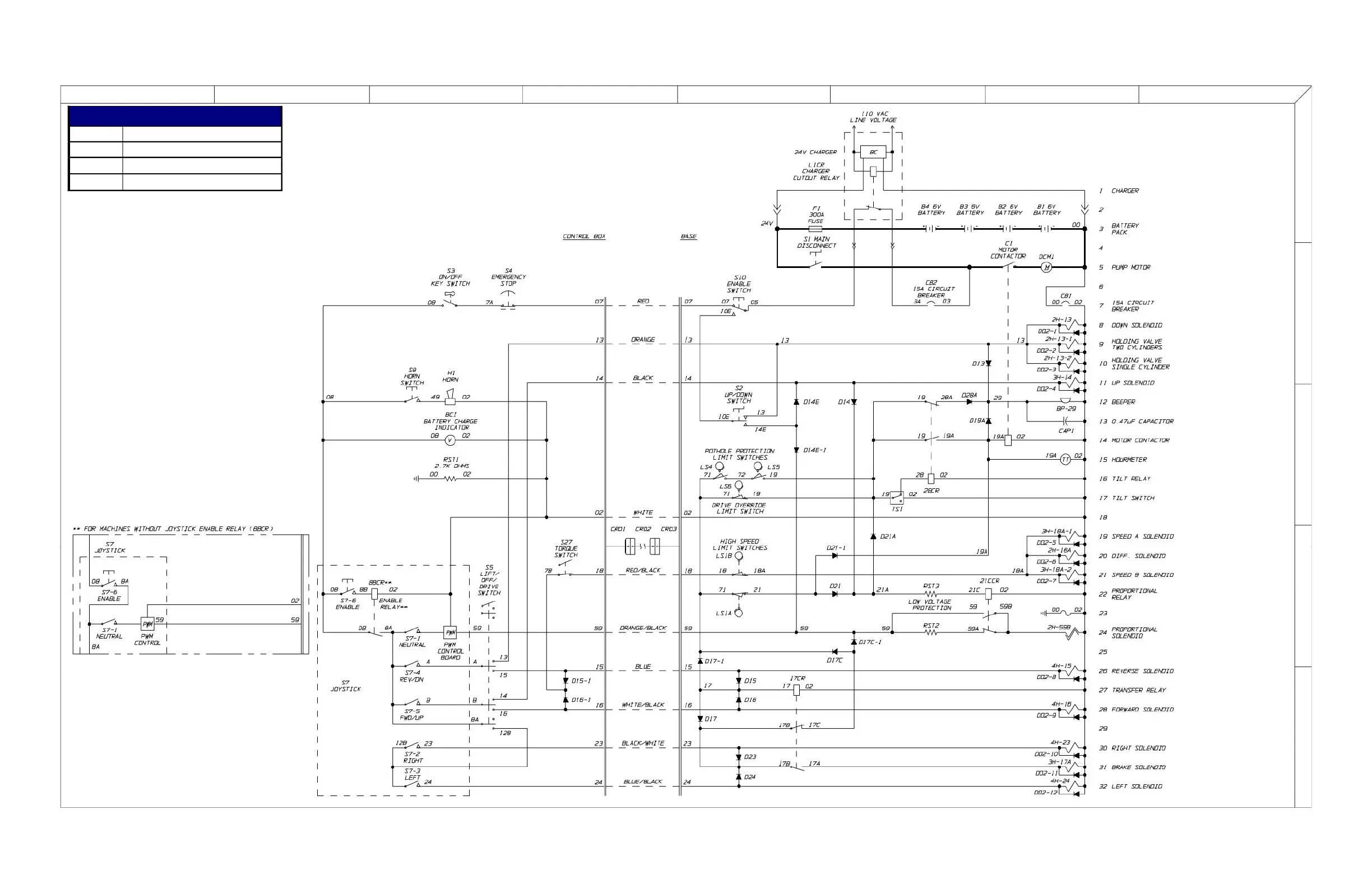
SECTION 3, Page 31SJIII Series - The Conventionals 129919
Figure 3.5-1a. Electrical Schematic - ANSI/CSA Models Equipped With No Options
A B C D E F G H
50192AC
V
Z
Y
X
W
Serial Breakdown Reference Chart
Model Serial Number
3220 60001415 & Below
3226 27004129 & Below
46XX 70004265 & Below
Refer to following page(s) to locate model,
serial number and respective diagram.
Figure 3.5-1b
AI

Related product manuals