EasyManua.ls Logo

Skyjack 4632 - Page 67

Skyjack 4632
207 pages
Print Icon
To Next Page IconTo Next Page
To Next Page IconTo Next Page
To Previous Page IconTo Previous Page
To Previous Page IconTo Previous Page
Loading...
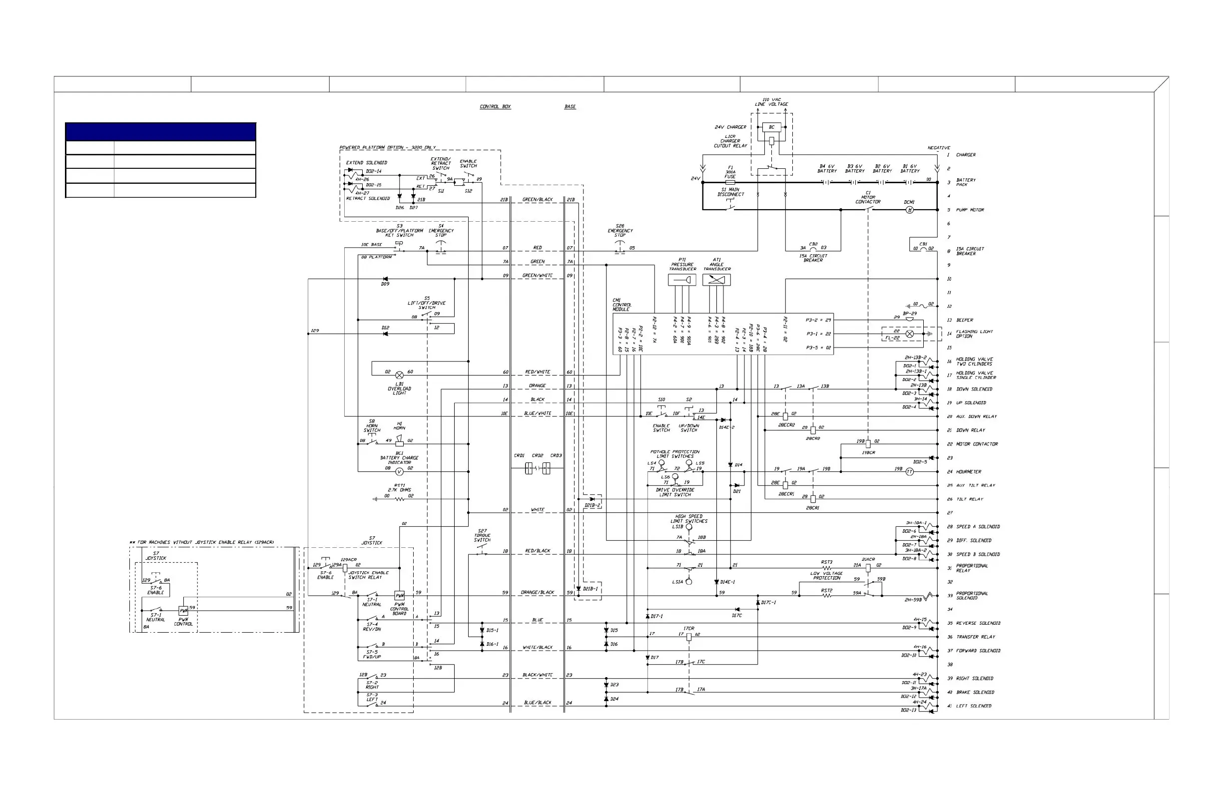
SECTION 3, Page 37SJIII Series - The Conventionals 129919
A B C D E F G H
V
Z
Y
X
W
50190AF
Figure 3.5-5a. Electrical Schematic - CE Models Equipped With All Options
Note: For machines equipped with Load Sensing, refer to the
Load Sensing supplement manual.
Refer to following page(s) to locate model,
serial number and respective diagram.
Figure 3.5-5b
AI
Serial Breakdown Reference Chart
Model Serial Number
3220 60001415 & Below
3226 27004129 & Below
46XX 70004265 & Below

Related product manuals