EasyManua.ls Logo

Skyjack 4632 - Page 66

Skyjack 4632
207 pages
Print Icon
To Next Page IconTo Next Page
To Next Page IconTo Next Page
To Previous Page IconTo Previous Page
To Previous Page IconTo Previous Page
Loading...
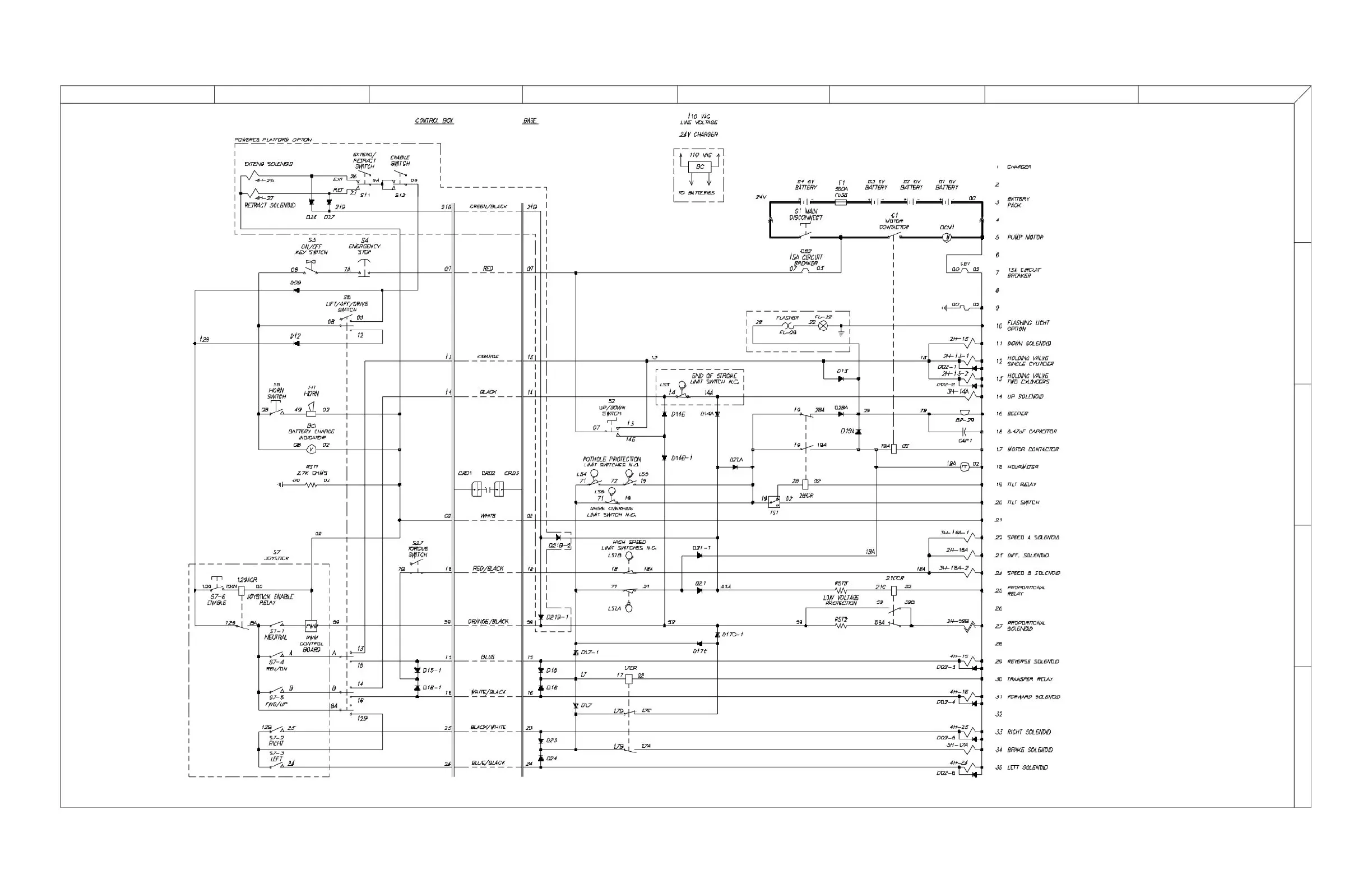
SECTION 3, Page 36 SJIII Series - The Conventionals 129919
Figure 3.5-4. Electrical Schematic - ANSI/CSA EE Rated Models Equipped With All Options
A B C D E F G H
M134240AC
V
Z
Y
X
W

Related product manuals