EasyManua.ls Logo

Skyjack 4632 - Page 65

Skyjack 4632
207 pages
Print Icon
To Next Page IconTo Next Page
To Next Page IconTo Next Page
To Previous Page IconTo Previous Page
To Previous Page IconTo Previous Page
Loading...
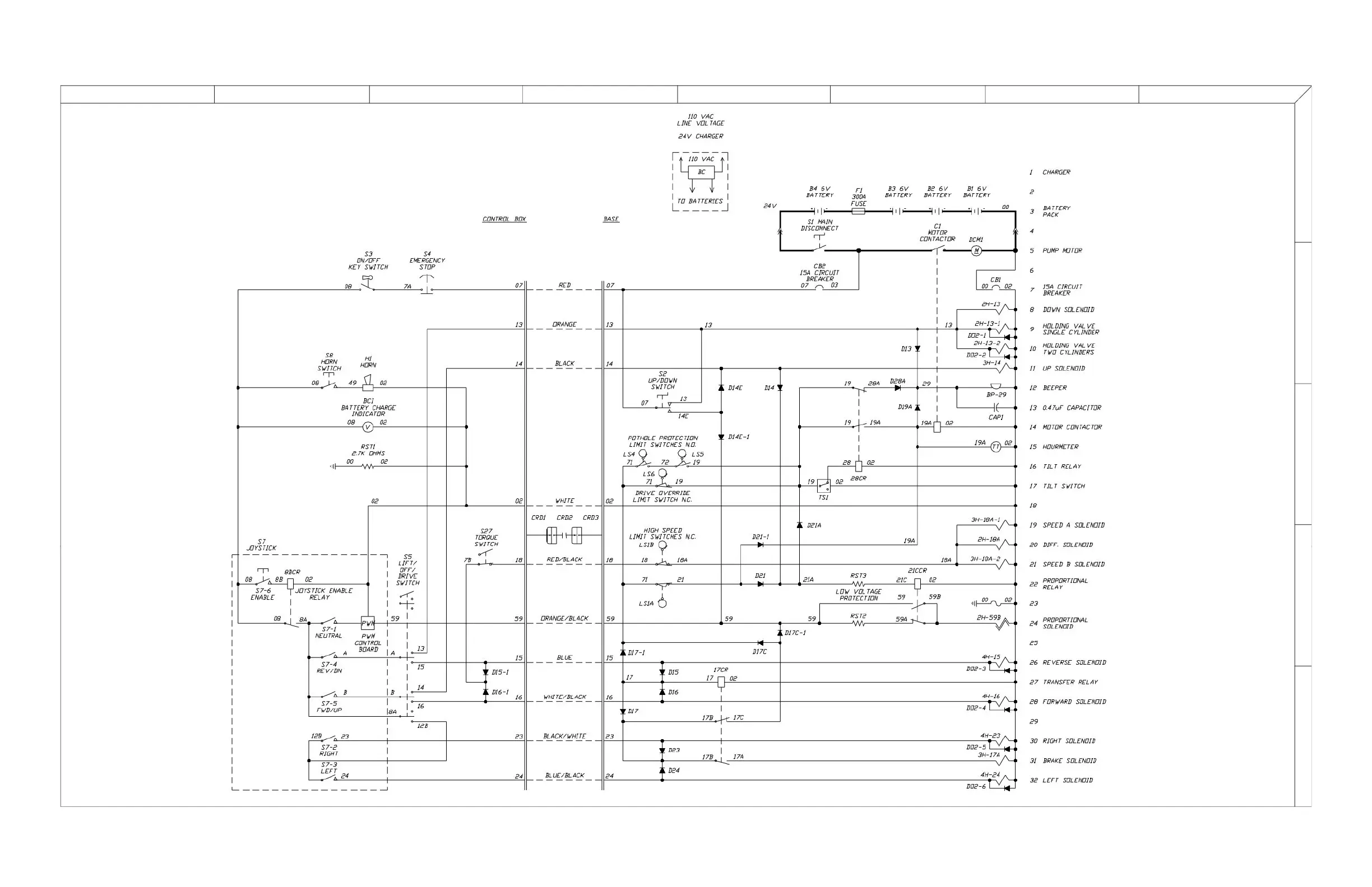
SECTION 3, Page 35SJIII Series - The Conventionals 129919
Figure 3.5-3. Electrical Schematic - ANSI/CSA EE Rated Models Equipped With NoOptions
A B C D E F G H
M141762AB
V
Z
Y
X
W
AH

Related product manuals