EasyManua.ls Logo

Skyjack 4632 - Page 64

Skyjack 4632
207 pages
Print Icon
To Next Page IconTo Next Page
To Next Page IconTo Next Page
To Previous Page IconTo Previous Page
To Previous Page IconTo Previous Page
Loading...
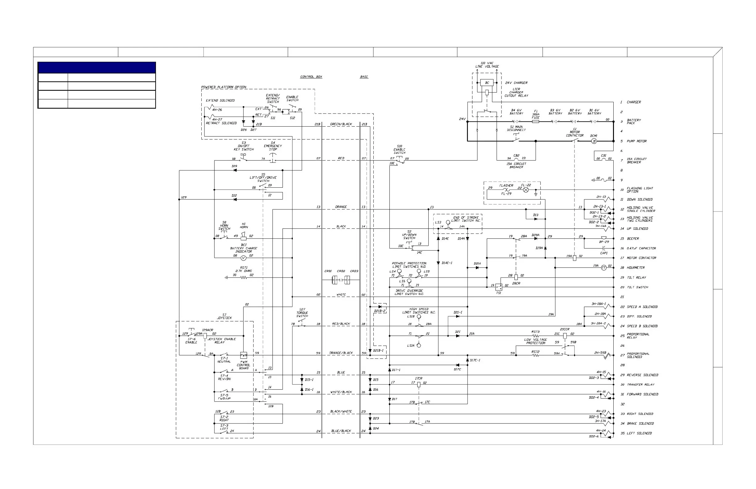
SECTION 3, Page 34 SJIII Series - The Conventionals 129919
Figure 3.5-2b. Electrical Schematic - ANSI/CSA Models Equipped With All Options
A B C D E F G H
M132278AE
V
Z
Y
X
W
Refer to following page(s) to locate model,
serial number and respective diagram.
Figure 3.5-2a
AI
Serial Breakdown Reference Chart
Model Serial Number
3220 60001416 & Above
3226 27004130 & Above
46XX 70004266 & Above

Related product manuals