EasyManua.ls Logo

Skyjack 4632 - Page 63

Skyjack 4632
207 pages
Print Icon
To Next Page IconTo Next Page
To Next Page IconTo Next Page
To Previous Page IconTo Previous Page
To Previous Page IconTo Previous Page
Loading...
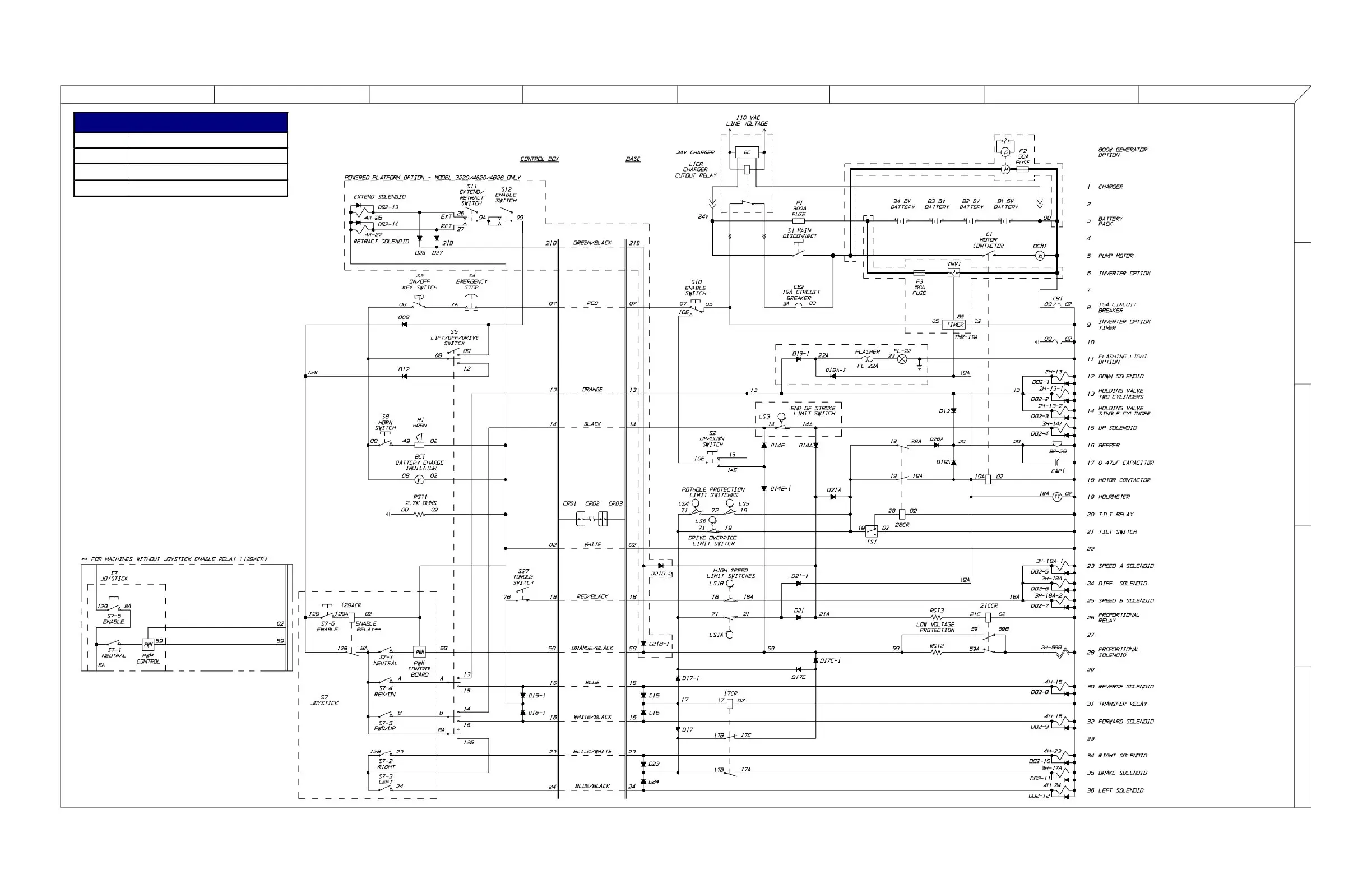
SECTION 3, Page 33SJIII Series - The Conventionals 129919
Figure 3.5-2a. Electrical Schematic - ANSI/CSA Models Equipped With All Options
A B C D E F G H
50184AD
V
Z
Y
X
W
Refer to following page(s) to locate model,
serial number and respective diagram.
Figure 3.5-2b
AI
Serial Breakdown Reference Chart
Model Serial Number
3220 60001415 & Below
3226 27004129 & Below
46XX 70004265 & Below

Related product manuals