EasyManua.ls Logo

Skyjack SJ1056 TH - Page 153

Skyjack SJ1056 TH
206 pages
Print Icon
To Next Page IconTo Next Page
To Next Page IconTo Next Page
To Previous Page IconTo Previous Page
To Previous Page IconTo Previous Page
Loading...
153
SJ1044 TH, SJ1044 THS, SJ1056 TH, SJ1056 THS, SJ1256 THS
230790ABA
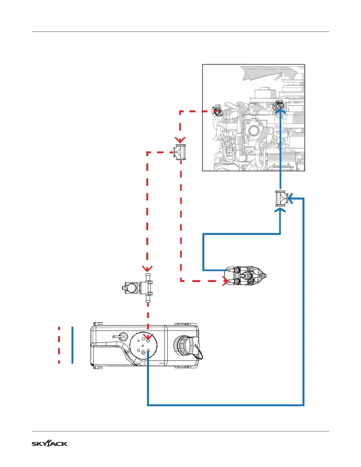
1000 Hour or Annual Routine Maintenance Section 5 – Procedures
Heating Line
Cooling Line
Solenoid
Valve
DEF Tank
DEF Injector
Open Cab Plumbing

Table of Contents

Other manuals for Skyjack SJ1056 TH

Related product manuals