EasyManua.ls Logo

Skyjack SJ1056 TH - 3.33 Engine Harness Diagram 107 HP - THS Models

Skyjack SJ1056 TH
206 pages
Print Icon
To Next Page IconTo Next Page
To Next Page IconTo Next Page
To Previous Page IconTo Previous Page
To Previous Page IconTo Previous Page
Loading...
V
W
Y
Z
L
M N
O
F
G
H
K
X
I
J
EDCBA
U
T
S
R
81
SJ1044 TH, SJ1044 THS, SJ1056 TH, SJ1056 THS, SJ1256 THS
230790ABA
R=120 Ω
SPLA98
SPLA77
10
10
10
10
10
10
SPLCANH
SPLCANL
10
D60
47 Ω
SPL00
SPLK01
SPLA75
SPLA03
120 Ω
SPLH
SPLL
X17.1
P3
P4
P5
AMBIENT AIR INLET
TEMP. SENSOR
FWD
2ND
(BOTTOM)
P12
TRANSM.
SOLS.
219
P8
P13
P1
P2
NOx & AIR
INTAKE B-
00
P78
P79
00
UREA TANK
HEATING VALVE
Y31
UREA QUALITY,
LEVEL & TEMP
B90
UREA PUMP
X45
B65
B56
B88
B54
B78
Y24
TO PRE-HEAT
FUEL
PUMP
RELAY
P6
(30A)
00
B+
P7
(20A)
00
B+
POSI-"CAN"
P109
TO
CONSOLE
HARNESS
TO
CONSOLE
HARNESS
TO
CONSOLE
HARNESS
00
56B
FUEL PUMP
60D
D2.2
D2.1
EXST GAS TEMP.
BEFORE
OXY CAT
UREA DOSING VALVE
PRESSURE DS DPF
NOx SENSOR
AFTER SCR CAT
NOx SENSOR
PRIOR SCR CAT
UNDERNEATH
MIXING PIPE
EXST GAS TEMP.
BEFORE
SCR
1- A10 BK
2- A50 WH
P79 PIN # - WIRE NO. & COLOR
1- A92 WH
2-
4- 232A BK
3-
Y31 PIN # - WIRE NO. & COLOR
1- 230 BK
2- A98 BK
4- 00 WH
3- A77 BK
B90 PIN # - WIRE NO. & COLOR
A19-18 BK
A
-57-18 BK
A70-18 BK
232A
-16 BK
244A
-16
WH
A89-18 BK
A03-16 BK
A59-18 BK
A05-18 BK
A82-18 BK
1- X1-18 BK 22- A21-18 BK 43-
2- A95-18 BK 23- A73-18 BK 44-
3- A94-18 BK 24- A13-18 BK 45-
4- A98-18 BK 25- A78-18 BK 46- A55-18 BK
5- A77-18 BK 26- A72-18 BK 47- A02-16 BK
6- A51-18 BK 27- A35-18 BK 48- A67-16 WH
7- A08-18 BK 28- A74-18 BK 49- A38-18 BK
8- 29- A11-18 BK 50- A18-18 BK
9- X9-18 BK 30- 51- A76-18 BK
10- X10-18 BK 31- A36-18 BK 52- A07-18 BK
11- X11-18 BK 32- A17-18 BK 53-
12- 33- 54-
13- A99-18 BK 34- 55-
14- A100-18 WH 35- A64-16 WH 56-
15- A102-18 WH 36- 57-
16- 37- A66-16 WH 58-
17- A54-18 BK 38- A44-16 BK 59- 231-18 BK
18- 39- 60- 00-18 WH
19- A46-16 WH 40- A45-16 BK 61- A23-16 WH
20- A25-16 BK 41- A24-16 WH 62- A85-16 BK
21- A101-18 BK 42- A87-16 BK
X17.1 PIN # - WIRE NO. & COLOR
A23 BK
A35 BK
A45 BK
P5
2 1
3 4
DEUTSCH
1- K18 BK
2- K31 BK
4-
3- K13 BK
P4 PIN # - WIRE NO. & COLOR
1- 31- 61- A61-18 BK
91-
2- A02-16 BK 32- 62- A62-18 BK
92- A92-18 BK
3- A03-16 BK 33- 63- A63-18 BK
93-
4- A04-18 BK 34- 64- A64-16 BK
94- A94-18 BK
5- A05-18 BK 35- A35-18 BK 65-
95- A95-18 BK
6- 36- A36-18 BK 66- A66-16 WH
96-
7- A07-18 BK 37- A37-18 BK 67- A67-16 WH
97-
8- A08-18 BK 38- A38-18 BK 68-
98- A98-18 BK
9- A09-18 BK 39- 69-
99- A99-18 BK
10- 40- 70- A70-18 BK
100- A100-18 WH
11- A11-18 BK 41- A41-18 BK 71-
101- A101-18 WH
12- 42- 72- A72-18 BK
102- A102-18
WH
13- A13-18 BK 43- 73- A73-18 BK
103-
14- 44- A44-16 BK 74- A74-18 BK
104-
15- A15-18 BK 45- A45-16 BK 75- A75-18 BK
105-
16- 46- A46-16 WH 76- A76-18 BK
17- A17-18 BK 47- A47-18 BK 77- A77-18 BK
18- A18-18 BK 48- A48-18 BK 78- A78-18 BK
19- A19-18 BK 49- 79-
20- 50- 80- A80-18 BK
21- A21-18 BK 51- A51-18 BK 81-
22- 52- 82- A82-18 BK
23- A23-16 BK 53- 83-
24- A24-16 WH 54- A54-18 BK 84-
25- A25-16 BK 55- A55-18 BK 85- A85-16 BK
26- A26-18 BK 56- 86-
27- A27-18 BK 57- A5
7-18 BK 87- A87-16 BK
28- 58- A58-18 BK 88- A88-18 BK
29- 59- A59-18 BK 89- A89-18 BK
30- 60- 90-
D2.1 PIN # - WIRE NO. & COLOR
1- K01-14 RD 31- K31-18 BK 61- 91- 235-16 BK
2- 00-14 WH 32- 239-18 WH 62- 204-18 BK 92-
3- K01-14 RD 33- 63- 93-
4- 00-14 WH 34- 64- 57A-18 BK 94-
5- K01-14 RD 35- 65- 95-
6- 00-14 WH 36- 66- 96-
7- 37- 74-18 WH 67- 60-16 BK 97-
8- 38- 77-18 WH 68- 98-
9- 39- 69- 99-
10- A10-18 BK 40- 70- 200-18 WH 100-
11- 41- 71- 101-
12- 42- 72- 102-
13- K13-18 BK 4
3- 237-18 WH 73- 103-
14- 44- 74- 56D-18 BK 104-
15- 45- 75- 105-
16- 46- 76-
17- 47- 77-
18- K18-18 BK 48- 78-
19- 49- 79-
20- 99-18 WH 50- A50-18 WH 80-
21- 51- 81- 103A-18 WH
22- 52- 82- 104-18 BK
23- 56A-18 WH 53- 83- 105-18 WH
24- 54- 84- 90-18 BK
25- 55- 85- CANH-18BK
26- 201-18 BK 56- 86- CANL-18WH
27- 57- 54-18 BK 87-
28- 58- 88-
29- 206-18 BK 59- 89-
30- 60- 90-
D2.2 PIN # - WIRE NO. & COLOR
P8
56A WH
BA+ RD
56B BK
54 BK
87
85
86
30
12
CANH BK CANL BK
P109
P2
A03 BK
A80 BK
A37 BK
230 BK
00 WH
A62 BK
244A WH
A61 BK
A41 BK
A04 BK
12
6
7
1
DEUTSCH
P1
6
1
12
7
CNAH BK
CANL BK
60 BK
74 WH
99 WH
90 BK
57A BK
206 BK
77 WH
105 WH
104 BK
54 BK
P78
235-16 BK
237-18 WH
239-18 WH
232A-14 RD
231-18 BK
229-16 BK
58
4
1
DEUTSCH
DEUTSCH
4
1
5
8
16 WH
51 BL/GN
215 DK BL/PRL
216 DK BL/GRY
15 BL
219 DK BL/PK
P13
1- A27 BK
2- A09 BK
B65 PIN # - WIRE NO. & COLOR
A15-18 BK A27-18 BK
B78
1- A47 BK
2- A26 BK
B65 PIN # - WIRE NO. & COLOR
1- A27 BK
2- A09 BK
B65 PIN # - WIRE NO. & COLOR
1- A77 BK
2- A98 BK
4- 229 BK
3- 00 WH
B54 PIN # - WIRE NO. & COLOR
P3
1 2
201 WH200 BK
1- 203 BK
2- 202 WH
4-
3- 204 RD
P4 PIN # - WIRE NO. & COLOR
12
00 WH
215 DK BL/PRL
P12
1ST
REV
(TOP)
P10
P9
P11
12
51 BL/GN 51A BL
P9
12
51 BL/GN 16 WH/BK
P10
12
00 WH 216 DK BL/GRY
P11
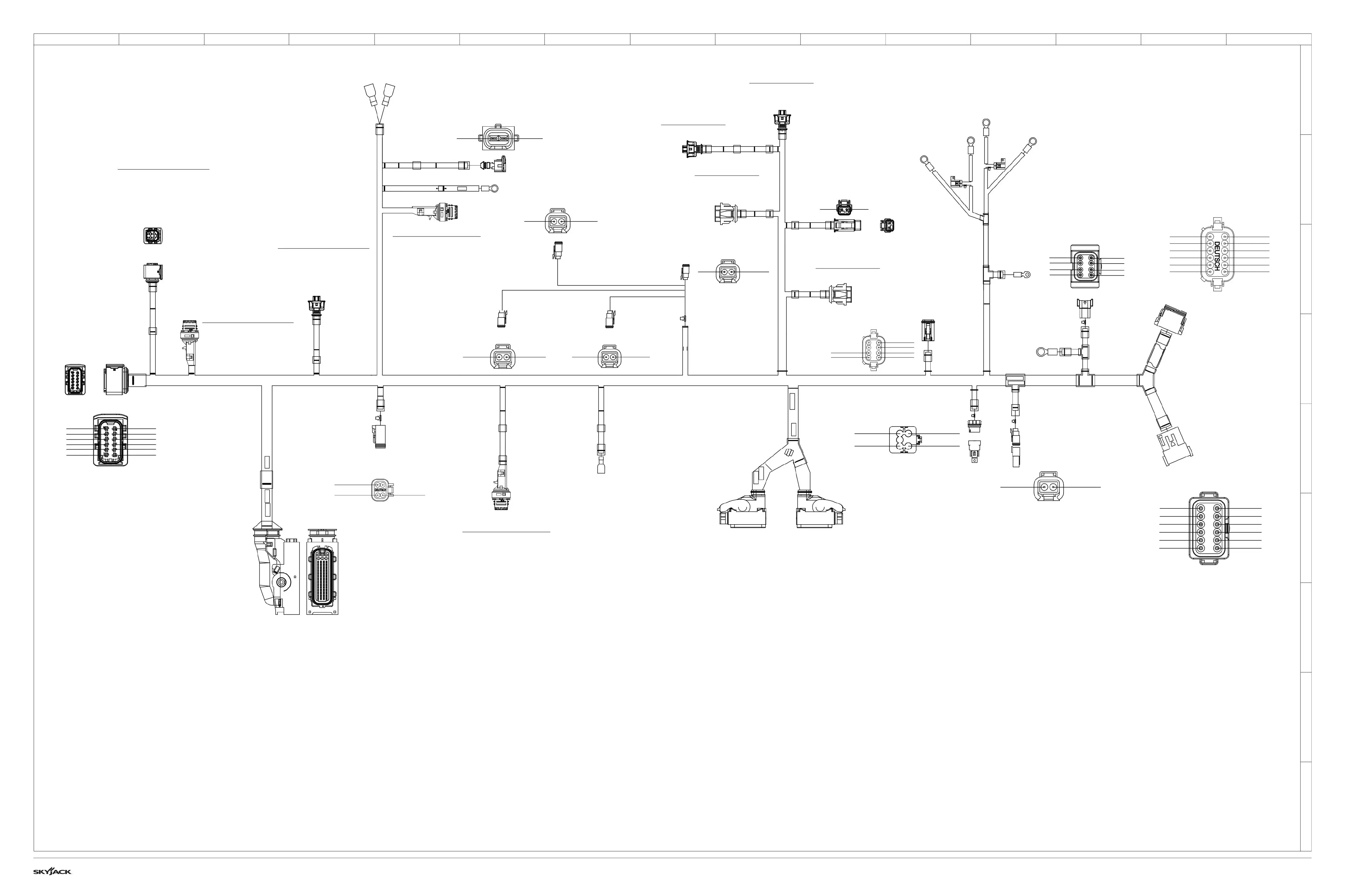
3.33 Engine Harness Diagram 107 HP - THS Models
3.33 Engine Harness Diagram 107 HP - THS Models
M232311AB - S1

Table of Contents

Other manuals for Skyjack SJ1056 TH

Related product manuals