EasyManua.ls Logo

SkyTraq PX1125S-01B - APPLICATION CIRCUIT; Recommended Circuitry; PRECOMMENDED LAYOUT PAD; PCB Pad Design

Default Icon
20 pages
Print Icon
To Next Page IconTo Next Page
To Next Page IconTo Next Page
To Previous Page IconTo Previous Page
To Previous Page IconTo Previous Page
Loading...
7
SkyTraq Technology, Inc. Preliminary Draft www.skytraq.com.tw
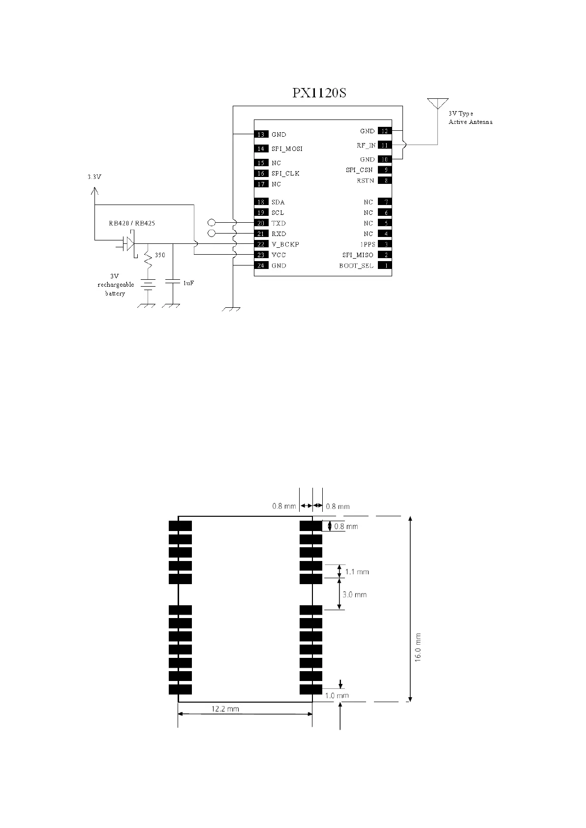
APPLICATION CIRCUIT
When PX1120S has previously been used within 2 hour, for faster time to first fix powering up without needing to
decoded ephemeris data from signal, V_BCKP should be connected to non-volatile supply; above figure with V_BCKP
connected to rechargeable battery is an example implementation. If cold starting every time powering up is not an
issue, V_BCKP can be connect to VCC.
PRECOMMENDED LAYOUT PAD

Related product manuals