EasyManua.ls Logo

Sleipner SM901970 - Wiring Diagram

Sleipner SM901970
16 pages
Print Icon
To Next Page IconTo Next Page
To Next Page IconTo Next Page
To Previous Page IconTo Previous Page
To Previous Page IconTo Previous Page
Loading...
8
519 6
4 2 0 21
-
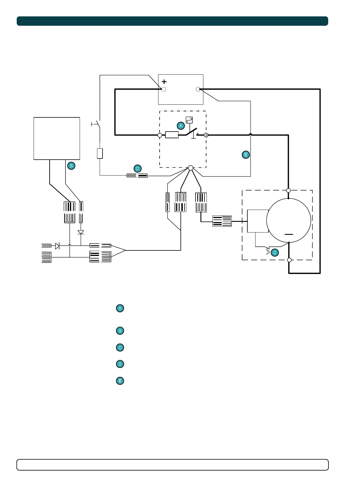
MG_0324
Battery
12V or 24V
-
Automatic
Main switch
Control
box
6 1225
black
red
SIDE-
POWER
M
Sidepower
Control panel
New ####-A
models are ready
with yellow output
yellow
yellow
5 lead Sidepower control cable
4-lead
Sidepower
controlcable
(only 3 used)
Fuse
5A
To more
control
panels
Main switch with fuse, 12 or 24V version.
(Select fuse size depending on the thruster.)
ON/OFF thruster panel(s).
Thermal switch built into the thruster motor.
Power feed fused to protect the wire.
Negative power feed for the solenoid.
Single Thruster Wiring
A
A
B
B
C
C
D
D
E
E
Technical Wiring Diagram