EasyManua.ls Logo

Smeg DF352CS - Page 16

Smeg DF352CS
55 pages
Print Icon
To Next Page IconTo Next Page
To Next Page IconTo Next Page
To Previous Page IconTo Previous Page
To Previous Page IconTo Previous Page
Loading...
Istruzioni per l’utente
16
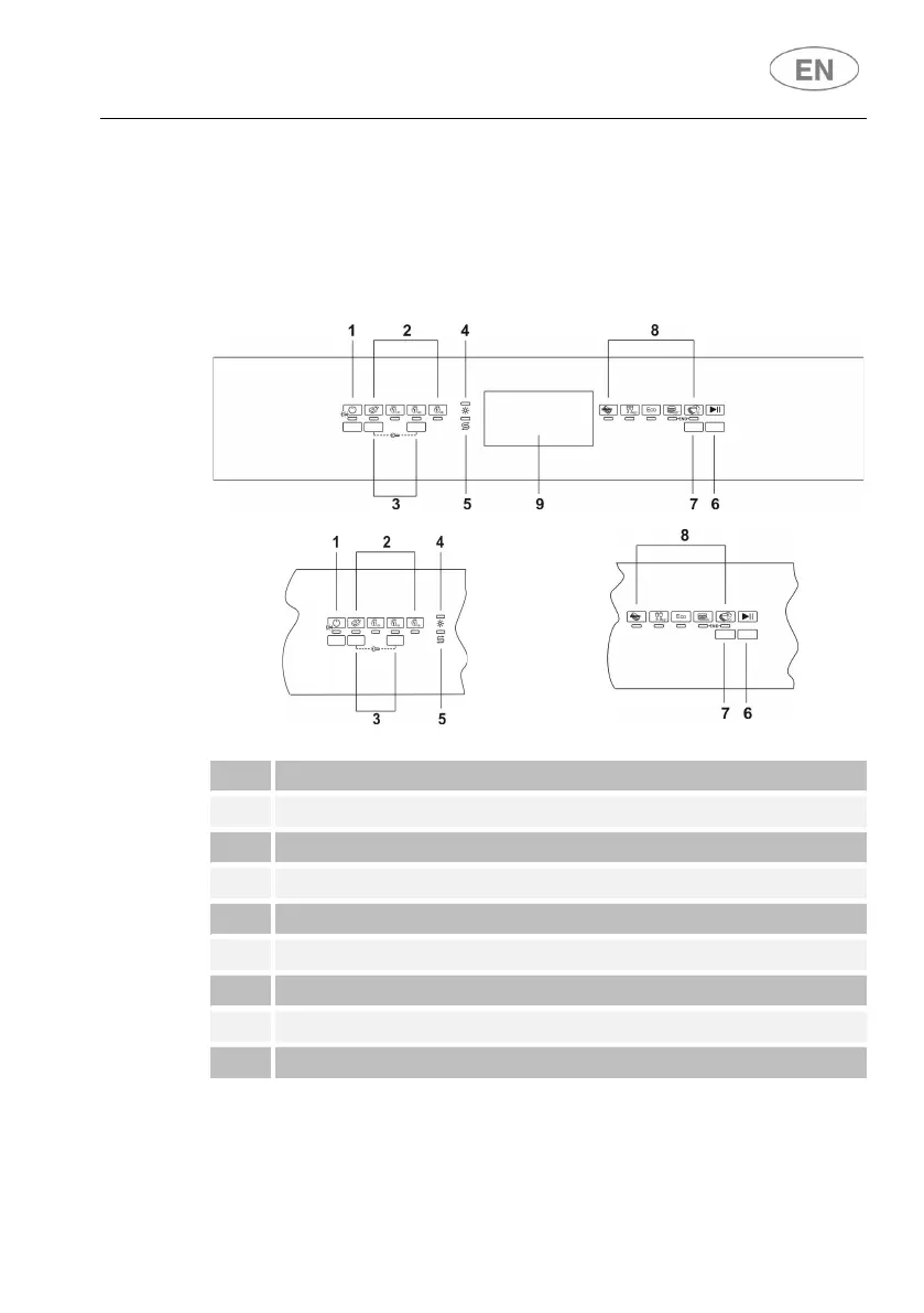
3 Description of the controls
3.1 Front panel
All the dishwasher controls are grouped on the front panel. Programming
and option selection are only possible with the door closed.
1 ON/OFF BUTTON AND WARNING LIGHT
2 OPTION SELECTION BUTTONS AND WARNING LIGHTS
3 “CHILD LOCK” ACTIVATION BUTTONS
4 NO RINSE AID LIGHT (some models only)
5
SALT WARNIN LIGHT (on some models only)
6 PROGRAM SELECTION BUTTONS
7 START/PAUSE BUTTON
8 PROGRAM INDICATOR LIGHTS
9 HANDLE TO OPEN THE DOOR

Related product manuals