EasyManua.ls Logo

smev CU322 - Page 17

smev CU322
19 pages
Print Icon
To Next Page IconTo Next Page
To Next Page IconTo Next Page
To Previous Page IconTo Previous Page
To Previous Page IconTo Previous Page
Loading...
RR
OVEN BURNERGRILL
R = RED Wire
G = GREEN WITH YELLOW STRIPES Wire
W = WHITE Wire
BK = BLACK Wire
= WIRE Connection
= Wired by Installer
R = Fil ROUGE
G = Fil A LIGNES VERTES ET JAUNES
W = Fil BLANC
BK = Fil NOIR
= BRANCHEMENT DES FILS
= Câblé par l’installateur
R = RED Wire
G = GREEN WITH YELLOW STRIPES Wire
W = WHITE Wire
BK = BLACK Wire
= WIRE Connection
= Wired by Installer
R = Fil ROUGE
G = Fil A LIGNES VERTES ET JAUNES
W = Fil BLANC
BK = Fil NOIR
= BRANCHEMENT DES FILS
= Câblé par l’installateur
R = RED Wire
G = GREEN WITH YELLOW STRIPES Wire
W = WHITE Wire
BK = BLACK Wire
= WIRE Connection
= Wired by Installer
R = Fil ROUGE
G = Fil A LIGNES VERTES ET JAUNES
W = Fil BLANC
BK = Fil NOIR
= BRANCHEMENT DES FILS
= Câblé par l’installateur
R = RED Wire
G = GREEN WITH YELLOW STRIPES Wire
W = WHITE Wire
BK = BLACK Wire
= WIRE Connection
= Wired by Installer
R = Fil ROUGE
G = Fil A LIGNES VERTES ET JAUNES
W = Fil BLANC
BK = Fil NOIR
= BRANCHEMENT DES FILS
= Câblé par l’installateur
R = RED Wire
G = GREEN WITH YELLOW STRIPES Wire
W = WHITE Wire
BK = BLACK Wire
= WIRE Connection
= Wired by Installer
R = Fil ROUGE
G = Fil A LIGNES VERTES ET JAUNES
W = Fil BLANC
BK = Fil NOIR
= BRANCHEMENT DES FILS
= Câblé par l’installateur
R = RED Wire
G = GREEN WITH YELLOW STRIPES Wire
W = WHITE Wire
BK = BLACK Wire
= WIRE Connection
= Wired by Installer
R = Fil ROUGE
G = Fil A LIGNES VERTES ET JAUNES
W = Fil BLANC
BK = Fil NOIR
= BRANCHEMENT DES FILS
= Câblé par l’installateur
R = RED Wire
G = GREEN WITH YELLOW STRIPES Wire
W = WHITE Wire
BK = BLACK Wire
= WIRE Connection
= Wired by Installer
R = Fil ROUGE
G = Fil A LIGNES VERTES ET JAUNES
W = Fil BLANC
BK = Fil NOIR
= BRANCHEMENT DES FILS
= Câblé par l’installateur
R = RED Wire
G = GREEN WITH YELLOW STRIPES Wire
W = WHITE Wire
BK = BLACK Wire
= WIRE Connection
= Wired by Installer
R = Fil ROUGE
G = Fil A LIGNES VERTES ET JAUNES
W = Fil BLANC
BK = Fil NOIR
= BRANCHEMENT DES FILS
= Câblé par l’installateur
R = RED Wire
G = GREEN WITH YELLOW STRIPES Wire
W = WHITE Wire
BK = BLACK Wire
= WIRE Connection
= Wired by Installer
R = Fil ROUGE
G = Fil A LIGNES VERTES ET JAUNES
W = Fil BLANC
BK = Fil NOIR
= BRANCHEMENT DES FILS
= Câblé par l’installateur
R = RED Wire
G = GREEN WITH YELLOW STRIPES Wire
(only for three burner models)
W = WHITE Wire
BK = BLACK Wire
= WIRE Connection
= Wired by Installer
R = Fil ROUGE
G = Fil A LIGNES VERTES ET JAUNES
(uniquement pour les modèles à 3 brûleurs)
W = Fil BLANC
BK = Fil NOIR
= BRANCHEMENT DES FILS
= Câblé par l’installateur
CU401
R R
TOP BURNERS GRILL
+
+
-
+
-
BKBK
RR
R
R
R
R
BK BK
12 V DC
IGNITION MODULE 2F IGNITION MODULE 6F
G
R
G
R R
OVEN
R
SPARK ELECTRODES
-
LIGHT
SWITCH
IGNITION
PUSH-BUTTON
W W
TOP BURNERS
+
+
-
BKW
RRBK
IGNITION MODULE 4F
W W
SPARK ELECTRODES
-
CU403
IGNITION
PUSH-BUTTON
+
+
-
BK
IGNITION
PUSH-BUTTON
MICROSWITCH
LIGHT
LIGHT SWITCH
RR
W
BK
R
R
R
BK BK
IGNITION MODULE 2F
G
OVEN
R
SPARK
ELECTRODES
-
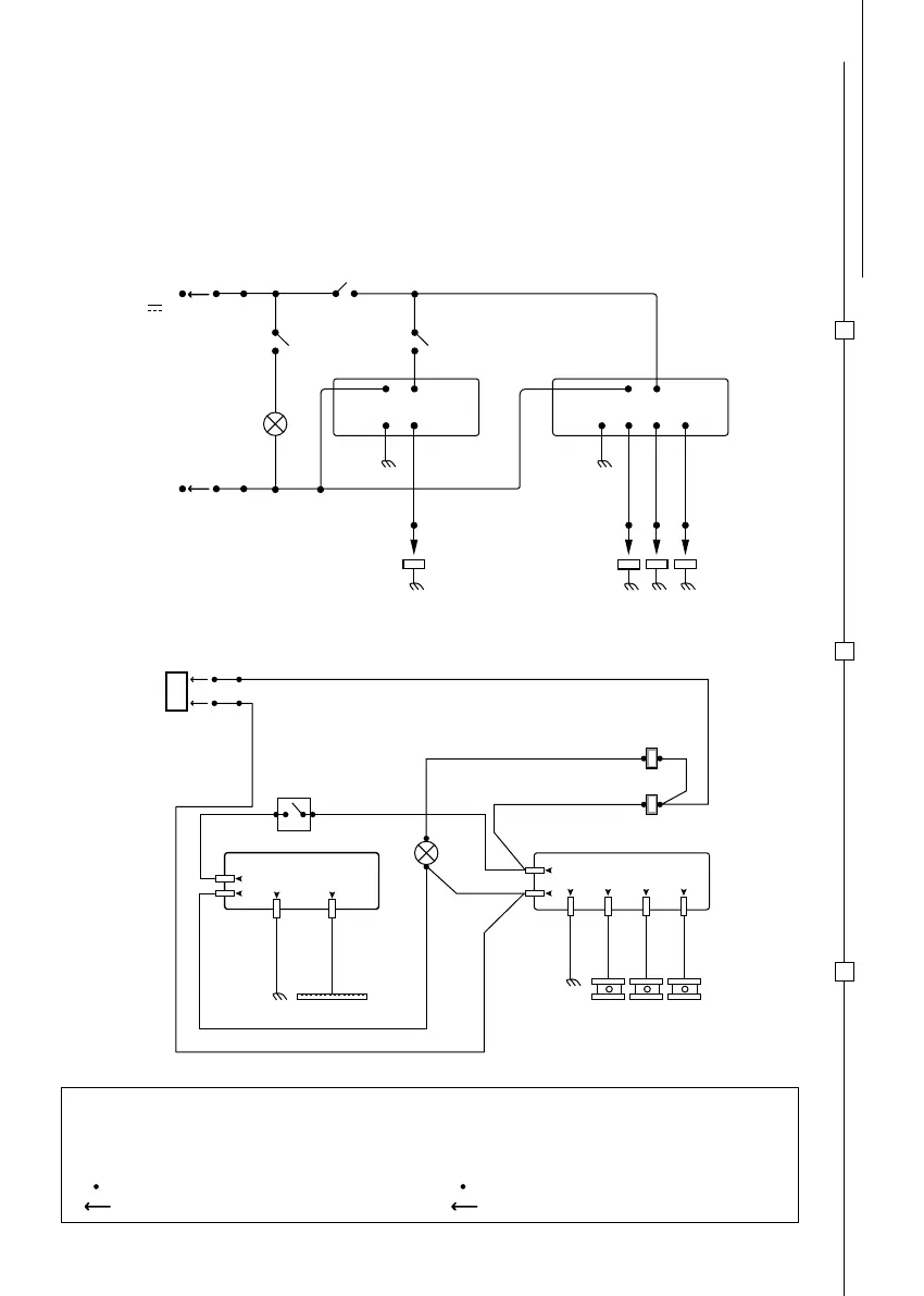
FO300
CU300
CU322
W W
TOP BURNERS
TOP BURNERS
+
+
-
+
-
BKBK
IGNITION
PUSH-BUTTONS
MICROSWITCH
LIGHT
LIGHT SWITCH
RR
W
BK
R
R
R
R
BK BK
IGNITION MODULE 2F IGNITION MODULE 4F
IGNITION MODULE 4F
G
G G
W W
OVEN
R
R R
R R
R
R
R
R
R
R
R
BK
R
W
BK
BK
G
BKBK
BKBK
R
SPARK ELECTRODES
-
TOP BURNERS
+
+
-
+
-
BKBKW
IGNITION
PUSH-BUTTONS
MICROSWITCH
LIGHT
LIGHT SWITCH
RRBK
R
R
R
R
BK BK
IGNITION MODULE 2F IGNITION MODULE 2F
G
W W
OVEN
R
SPARK ELECTRODES
-
CU325
W W
TOP BURNERS
+
+
-
+
-
BKBK
IGNITION
PUSH-BUTTONS
MICROSWITCH
LIGHT
LIGHT SWITCH
RR
W
BK
R
R
R
R
BK BK
IGNITION MODULE 2F IGNITION MODULE 4F
W
OVEN
R
SPARK ELECTRODES
-
CU402
R R
TOP BURNERS GRILL
+
+
-
BKW
RRBK
IGNITION MODULE 6F
G
RR R
SPARK ELECTRODES
-
IGNITION
PUSH-BUTTON
W W
TOP BURNERS
+
+
-
+
-
BKBK
IGNITION
PUSH-BUTTON
COOLLING
FANS
MICROSWITCH
LIGHT
SWITCH
SWITCH
RR
R
R
R
R
BK BK
12 V DC
IGNITION MODULE 2F IGNITION MODULE 4F
G
W W
OVEN
R
SPARK ELECTRODES
-
R
R
BK
CU404
CU311 CU333
W W
TOP BURNERS
+
+
-
+
-
BKBK
IGNITION
PUSH-BUTTONS
MICROSWITCH
LIGHT
LIGHT SWITCH
RR
W
BK
R
R
R
R
BK BK
IGNITION MODULE 2F IGNITION MODULE 4F
W W
OVEN
R
SPARK ELECTRODES
-
TOP BURNERS
+
+
-
+
-
BKBK
IGNITION
PUSH-BUTTONS
MICROSWITCH
LIGHT
LIGHT SWITCH
RR
W
BK
R
R
R
R
BK BK
IGNITION MODULE 2F IGNITION MODULE 2F
W W
OVEN
R
SPARK ELECTRODES
-
GRILL
R
GRILL
R
GRILL
R
G
CU335
W W
TOP BURNERS
+
+
-
+
-
BKBK
IGNITION
PUSH-BUTTONS
MICROSWITCH
LIGHT
LIGHT SWITCH
RR
W
BK
R
R
R
R
BK BK
IGNITION MODULE 2F IGNITION MODULE 4F
W
OVEN
R
SPARK ELECTRODES
-
FAN
R
FAN
TOP BURNERS OVEN BURNER
IGNITION MODULE 2F
CONNECTORS
IGNITION MODULE 4F
CONNECTORS
COOLING FANS
FANS SWITCH
60
12 V
BATTERY
+
-
MOTMOT
W WW W G R
BK
BK
BKBK
BK
BK
BK
R
R
RRRR
R
R
R
R
R
R
R
LIGHT
T
LIGHT
SWITCH
IGNITION
PUSH-BUTTON
CONNECTORS
IGNITION MODULE 2F
CONNECTORS
OVEN BURNER
LIGHT
WWWW
+
-
12 VOLT
BATTERY
IGNITION PUSH-BUTTON
LIGHT SWITCH
MICROSWITCH
IGNITION PUSH-BUTTON
TOP BURNERS
IGNITION MODULE 4F
R R
R R
R
R
R
R
R
R
R
BK R
W
BK
BK
R
BKBK
BKBK
R
CONNECTORS
IGNITION MODULE 2F
CONNECTORS
OVEN BURNERGRILL
LIGHT
WWWW
+
-
12 VOLT
BATTERY
IGNITION PUSH-BUTTON
LIGHT SWITCH
MICROSWITCH
IGNITION PUSH-BUTTON
TOP BURNERS
IGNITION MODULE 2F
R R
R R
R
R
R
R
R
R
R
BK R
W
BK
BK
G
BKBK
BKBK
R
CONNECTORS
IGNITION MODULE 2F
CONNECTORS
OVEN BURNER
LIGHT
WW
+
-
12 VOLT
BATTERY
IGNITION PUSH-BUTTON
LIGHT SWITCH
MICROSWITCH
IGNITION PUSH-BUTTON
TOP BURNERS
IGNITION MODULE 2F
R R
R R
R
R
R
R
R
R
BK R
W
BK
BK
RR
OVEN BURNERGRILL
BKBK
BKBK
R
CONNECTORS
IGNITION MODULE 2F
CONNECTORS
LIGHT
WW
+
-
12 VOLT
BATTERY
IGNITION PUSH-BUTTON
LIGHT SWITCH
MICROSWITCH
IGNITION PUSH-BUTTON
TOP BURNERS
IGNITION MODULE 4F
R R
R R
R
R
R
R
R
R
R
RBK
W
BK
BK
G
BKBK
BKBK
R
CONNECTORS
IGNITION MODULE 2F
CONNECTORS
OVEN BURNER
LIGHT
+
-
12 VOLT
BATTERY
IGNITION PUSH-BUTTON
LIGHT SWITCH
MICROSWITCH
IGNITION PUSH-BUTTON
WWWG
TOP BURNERS
IGNITION MODULE 4F
R R
R R
R
R
R
R
R
R
BK R
W
BK
BK
BKBK
BKBK
R
CONNECTORS
IGNITION MODULE 2F
LIGHT
+
-
12 VOLT
BATTERY
IGNITION PUSH-BUTTON
LIGHT SWITCH
MICROSWITCH
IGNITION PUSH-BUTTON
WWWG
TOP BURNERS
IGNITION MODULE 4F
R
BK
BKW
CONNECTORS
+
-
12 VOLT
BATTERY
IGNITION PUSH-BUTTON
WWWW
R R
TOP BURNERS
R
BK
BKW
IGNITION MODULE 6F
CONNECTORS
+
-
12 VOLT
BATTERY
IGNITION PUSH-BUTTON
RRRR
R R
R
GRILL
G
R R
R R
R
R
R
R
R
BK R
W
BK
BK
G
BK
BKBK
IGNITION MODULE 2F
CONNECTORS
OVEN BURNER
LIGHT
+
-
12 VOLT
BATTERY
LIGHT SWITCH
MICROSWITCH
IGNITION PUSH-BUTTON
+
+
-
BK
IGNITION
PUSH-BUTTON
MICROSWITCH
LIGHT
LIGHT SWITCH
RR
W
BK
R
R
R
BK BK
IGNITION MODULE 2F
OVEN
R
SPARK
ELECTRODES
-
FO311
GRILL
R
R R
R R
R
R
R
R
R
BK R
W
BK
BK
R
BK
BKBK
IGNITION MODULE 2F
CONNECTORS
OVEN BURNERGRILL
LIGHT
+
-
12 VOLT
BATTERY
LIGHT SWITCH
MICROSWITCH
IGNITION PUSH-BUTTON
12 V
12 V 12 V 12 V
12 V
12 V 12 V
R = RED Wire
G = GREEN WITH YELLOW STRIPES Wire
W = WHITE Wire
BK = BLACK Wire
= WIRE Connection
= Wired by Installer
R = Fil ROUGE
G = Fil A LIGNES VERTES ET JAUNES
W = Fil BLANC
BK = Fil NOIR
= BRANCHEMENT DES FILS
= Câblé par l’installateur
G G
G
CU434
W W
TOP BURNERS
+
+
-
+
-
BKBK
IGNITION
PUSH-BUTTONS
MICROSWITCH
LIGHT
LIGHT SWITCH
RR
W
BK
R
R
R
R
BK BK
IGNITION MODULE 2F IGNITION MODULE 4F
W
OVEN
R
SPARK ELECTRODES
-
TOP BURNERS
IGNITION MODULE 4F
R R
R
R
R
R
R
R
R
RBK
W
BK
BK
G
BKBK
BKBK
R
CONNECTORS
IGNITION MODULE 2F
CONNECTORS
OVEN BURNER
LIGHT
+
-
12 VOLT
BATTERY
IGNITION PUSH-BUTTON
LIGHT SWITCH
MICROSWITCH
WWWG
G
12 V
12 V
R = RED Wire
G = GREEN WITH YELLOW STRIPES Wire
W = WHITE Wire
BK = BLACK Wire
= WIRE Connection
= Wired by Installer
R = Fil ROUGE
G = Fil A LIGNES VERTES ET JAUNES
W = Fil BLANC
BK = Fil NOIR
= BRANCHEMENT DES FILS
= Câblé par l’installateur
W
TOP BURNERS
+
+
-
BKW
RRBK
IGNITION MODULE 4F
W W
SPARK ELECTRODES
-
CU423
IGNITION
PUSH-BUTTON
TOP BURNERS
IGNITION MODULE 4F
R
BK
BKW
CONNECTORS
+
-
12 VOLT
BATTERY
IGNITION PUSH-BUTTON
WWW
R R
12 V
12 V
12 V
37

Related product manuals