EasyManua.ls Logo

smev CU402 - Page 13

smev CU402
16 pages
Print Icon
To Next Page IconTo Next Page
To Next Page IconTo Next Page
To Previous Page IconTo Previous Page
To Previous Page IconTo Previous Page
Loading...
FIGURES
AND
TECHNICAL DRAWINGS
s,\\n\'
by
Dometic
GROUP
S,\\I~"
by
Dometic
GROUP
FIGURES
AND
TECHNICAL
DRAWINGS
-
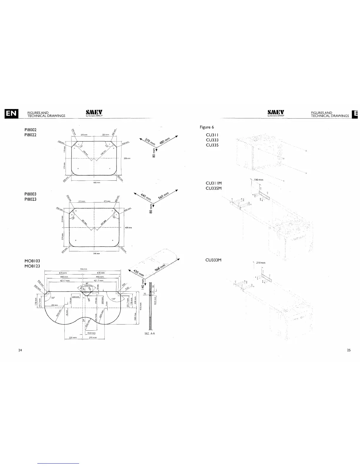
210mm
CU311
CU333
CU33S
CU311M
CU33SM
CU333M
Figure 6
~I
j I
~
0
;
~
i I
;_I~I
I
SEZ.
A-A
358mm
tI
233mm
cpO;,
,~
~~
---
---_._-_._-_.-
- 428 mm
466mm
~
'\~
233 mm
956mm
478mm
i-
478mm
448mm
-!-
448mm
421.7mm
I
i
E
E
!'
E
E
~
~~I-------------I'
546mm
PI8002
PI8022
M08103
M08123
PI8003
PI8023
24
25

Other manuals for smev CU402

Related product manuals