EasyManua.ls Logo

Smith GC-160 - Page 29

Smith GC-160
80 pages
Print Icon
To Next Page IconTo Next Page
To Next Page IconTo Next Page
To Previous Page IconTo Previous Page
To Previous Page IconTo Previous Page
Loading...
29
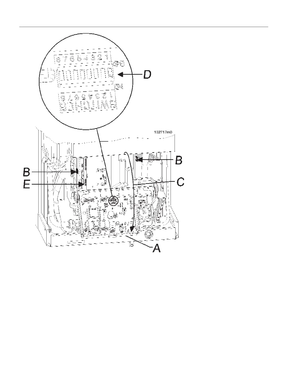
A = front cover of the electrical box
B = plastic spring to open the electrical box
C = Direction to open the electrical box
D = Switches for the functional setting of the boiler
Figure 22 - Contro board and junction box board details
7 - INSTALLATION - Indirect storage tank connections

Table of Contents

Related product manuals