EasyManua.ls Logo

Smith GC-160 - 7 INSTALLATION - Indirect Storage Tank Connections; Connecting the Boiler to an Indirect Storage Tank

Smith GC-160
80 pages
Print Icon
To Next Page IconTo Next Page
To Next Page IconTo Next Page
To Previous Page IconTo Previous Page
To Previous Page IconTo Previous Page
Loading...
28
7 - INSTALLATION - Indirect storage tank connections
7.1 - Connecting the
boiler to an indirect
storage tank
All boilers listed in this manual , can be
connected to an indirect storage tank as
follows (the water and electrical
connections must be made per figure 21):
To make the electrical connections, follow
the steps below while refering also to figure
21:
disconnect the boiler from the electrical
supply;
remove the boiler casing according to
the instructions given in section 13.2 or
13.3;
push the plastic spring tabs “B” shown in
figure 22;
open the front half of the electrical box in
the “C” direction as shown in figure 22;
move switch #1, item “D” in figure 22, to
its “ON” position as marked on the
control board;
ensure that switch #5 is in the OFF
position;
on the rear side of the electrical junction
box board, if present, disconnect the
plug with two wires (see figure 22, item
“E”), corresponding to wires #44 and
#45.
use a # 18 AWG two wire cable to
connect the indirect storage tank
temperature sensor to terminals “TS” as
per figure 18;
insert the probe of the tank temperature
sensor into the socket of the storage
tank.
use a #18 AWG four wire cable to
connect the three way valve to terminals
“1”, “2”, “3” and Ground as per figure 18
where:
“1” = 120Vac Line for domestic side
”2” = Neutral
“3” = 120Vac Line for heating side
WARNING!!! Since the indirect storage
tank temperature sensor wires conduct
24 Vac, they must never be run through
conduits containing 120 Vac power
wires or an electrical shock hazard will
exist.
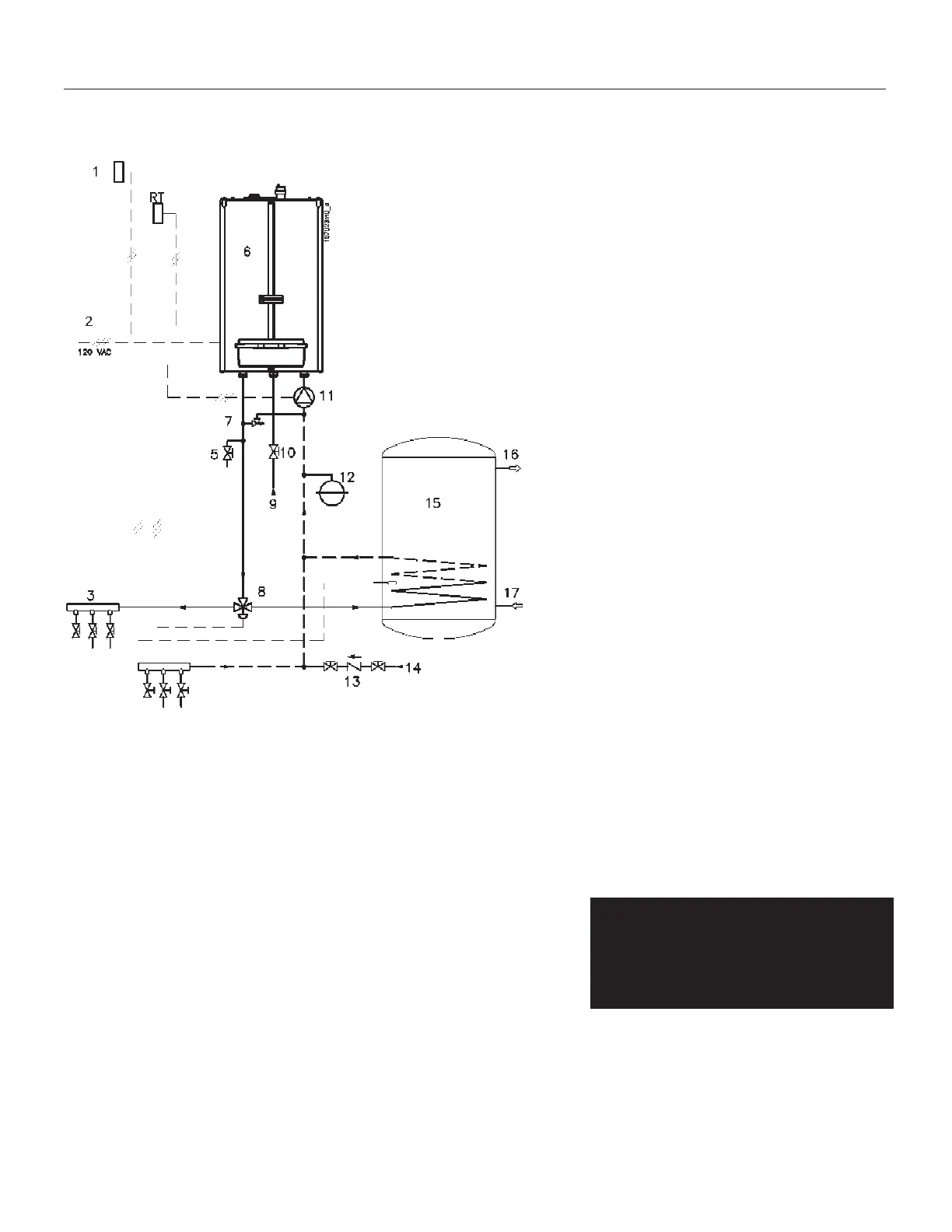
Figure 21 - Indirect storage tank connections
1 Outdoor temperature sensor (optional)
2 120Vac electrical supply
3 Heating system supply circuit
4 Room thermostat (field supplied)
5 Heating circuit drain valve (field supplied)
6 Boiler
7 By-pass valve (field supplied on models 45AN and 45AE)
8 Three way valve (field supplied)
9 Gas supply
10 Manual gas shutoff valve (field supplied)
11 Circulator pump (field supplied on models 45AN and 45AE)
12 Expansion tank (field supplied on models 45AN and 45AE)
13 Automatic filling valve (field supplied )
14 Cold water inlet connection
15 Indirect storage tank (field supplied)
16 Domestic hot water outlet
17 Domestic cold water inlet
RT Room thermostat (field supplied)

Table of Contents

Related product manuals