EasyManua.ls Logo

Snapper 216518B - Thatcherizer Assembly

Snapper 216518B
44 pages
Print Icon
To Next Page IconTo Next Page
To Next Page IconTo Next Page
To Previous Page IconTo Previous Page
To Previous Page IconTo Previous Page
Loading...
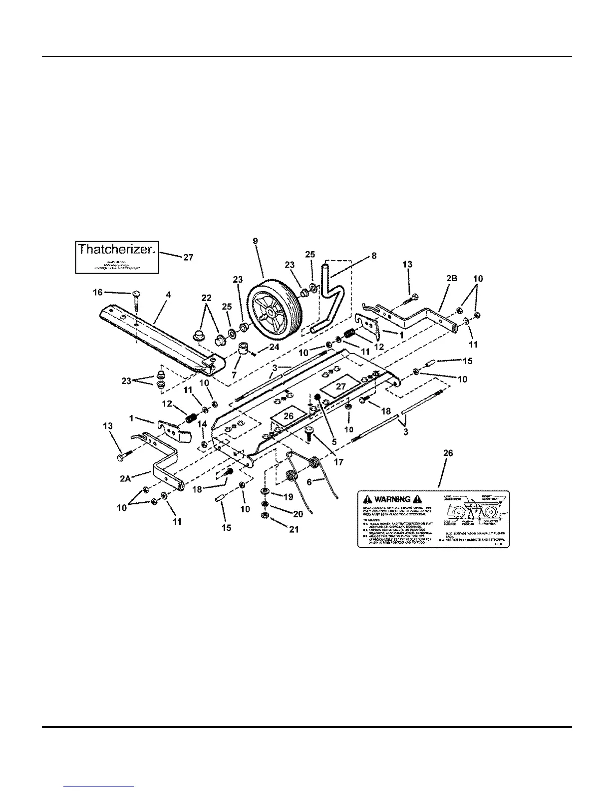
THATCHERIZER ASSEMBLY
TP 400-5047-1-WB-N
Manual No. 7006139 21" STEEL DECK
SERIES 18
38

Related product manuals