EasyManua.ls Logo

Snapper 2690858 - Engine Group - 23 HP Briggs & Stratton

Snapper 2690858
36 pages
Print Icon
To Next Page IconTo Next Page
To Next Page IconTo Next Page
To Previous Page IconTo Previous Page
To Previous Page IconTo Previous Page
Loading...
Not for
Reproduction
Manual No. 7103199 HYDRO DRIVE ELECTRIC CLUTCH
LT130 AWS SERIES
14
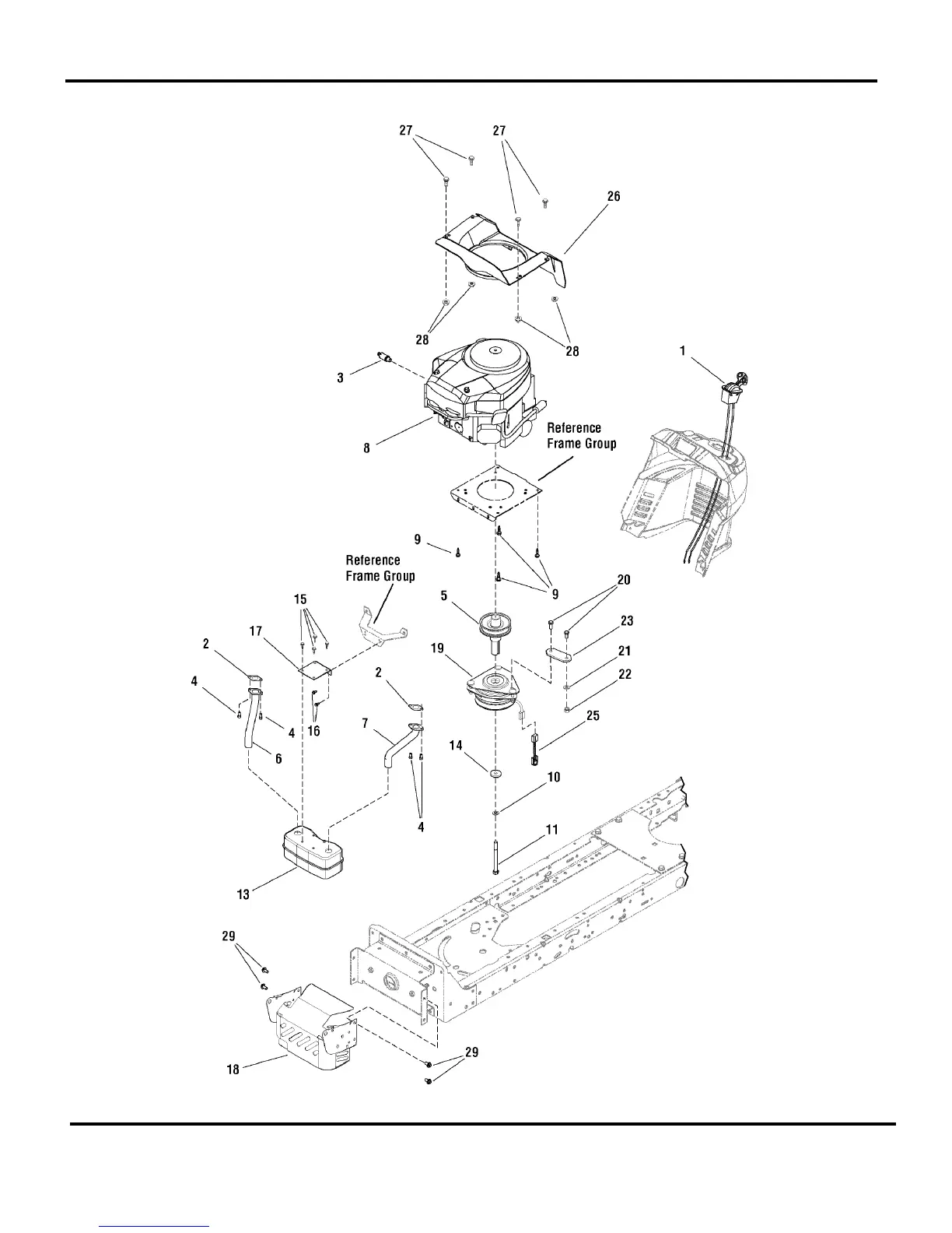
Engine Group - 23HP Briggs & Stratton

Related product manuals