EasyManua.ls Logo

Snapper 375ZB2050CE - Brake Group

Snapper 375ZB2050CE
58 pages
Print Icon
To Next Page IconTo Next Page
To Next Page IconTo Next Page
To Previous Page IconTo Previous Page
To Previous Page IconTo Previous Page
Loading...
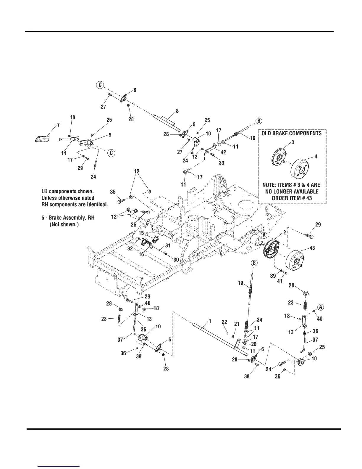
Brake Group
TP 400-7380-IR-HZ-N
24 HP HYDRO DRIVE ZTR
375Z SERIES
22
Manual No. 5101533

Related product manuals