EasyManua.ls Logo

Snapper NP216012 - Drive System Self-Propelled

Snapper NP216012
52 pages
Print Icon
To Next Page IconTo Next Page
To Next Page IconTo Next Page
To Previous Page IconTo Previous Page
To Previous Page IconTo Previous Page
Loading...
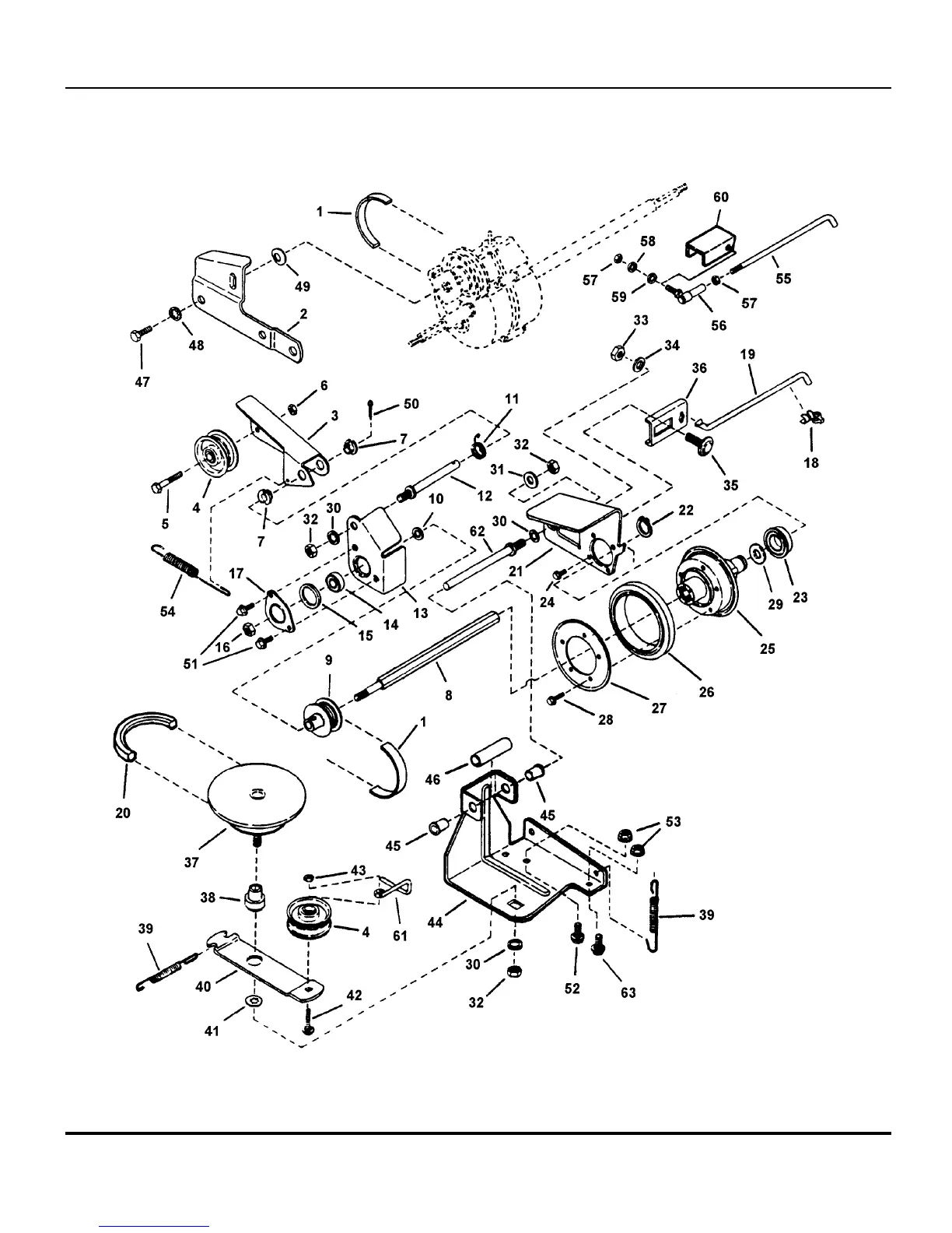
Drive System Self-Propelled
TP 400-5137-7-WB-N
Manual No. 7006059 21" STEEL DECK WALK BEHIND MOWERS
SERIES 12, 14, 15, & 16
22

Related product manuals