EasyManua.ls Logo

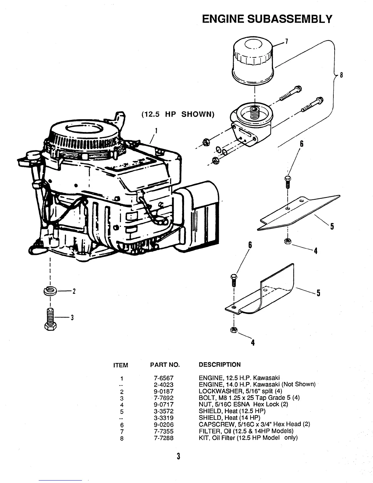
Snapper PL71250KW - Engine Subassembly

Snapper PL71250KW
32 pages
Print Icon
To Next Page IconTo Next Page
To Next Page IconTo Next Page
To Previous Page IconTo Previous Page
To Previous Page IconTo Previous Page
Loading...

Related product manuals