EasyManua.ls Logo

Snapper TUFF TORQ K50 - Section VI - TRANSAXLE INSTALLATION!.6.1-6.3

Snapper TUFF TORQ K50
36 pages
Print Icon
To Next Page IconTo Next Page
To Next Page IconTo Next Page
To Previous Page IconTo Previous Page
To Previous Page IconTo Previous Page
Loading...
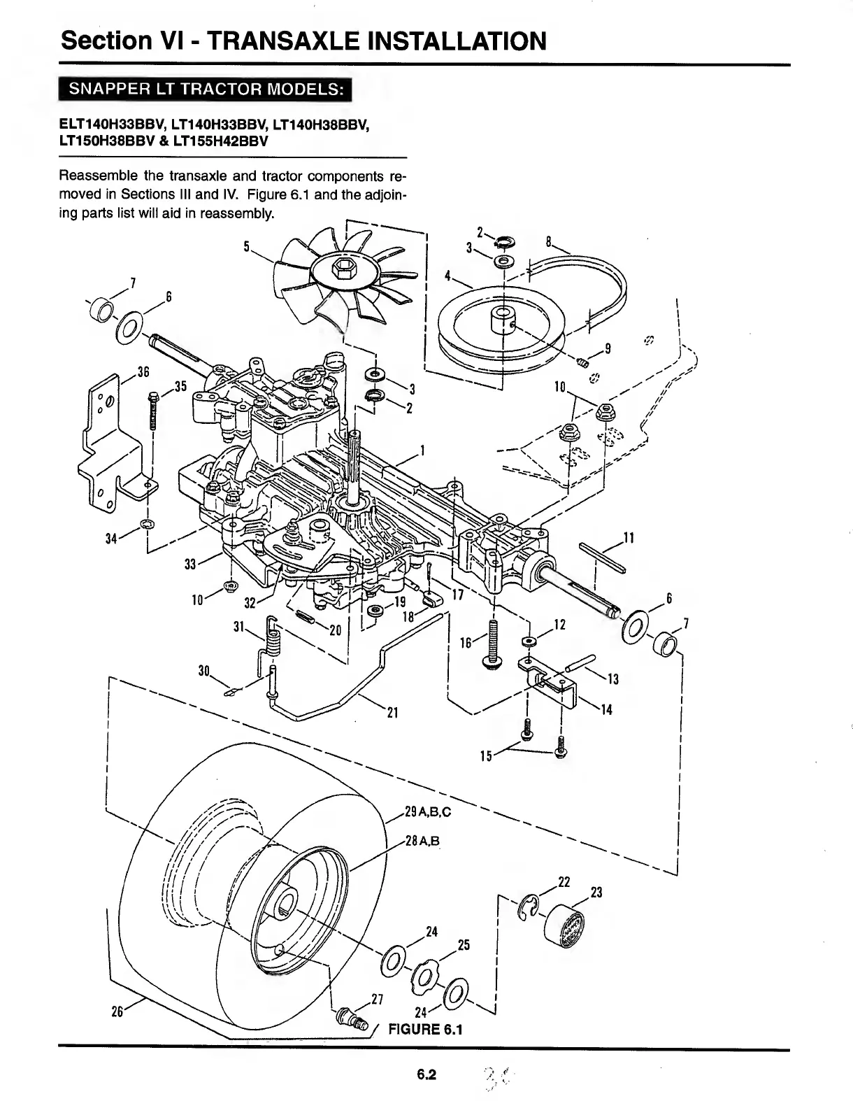
Section
VI
-
TRANSAXLE
INSTALLATION
SNAPPER
LT
TRACTOR
MODELS:
ELT140H33BBV,
LT140H33BBV,
LT140H38BBV,
LT150H38BBV
&
LT155H42BBV