EasyManua.ls Logo

Snapper Yard Cruiser HZS15423KVE

Snapper Yard Cruiser HZS15423KVE
76 pages
To Next Page IconTo Next Page
To Next Page IconTo Next Page
To Previous Page IconTo Previous Page
To Previous Page IconTo Previous Page
Loading...
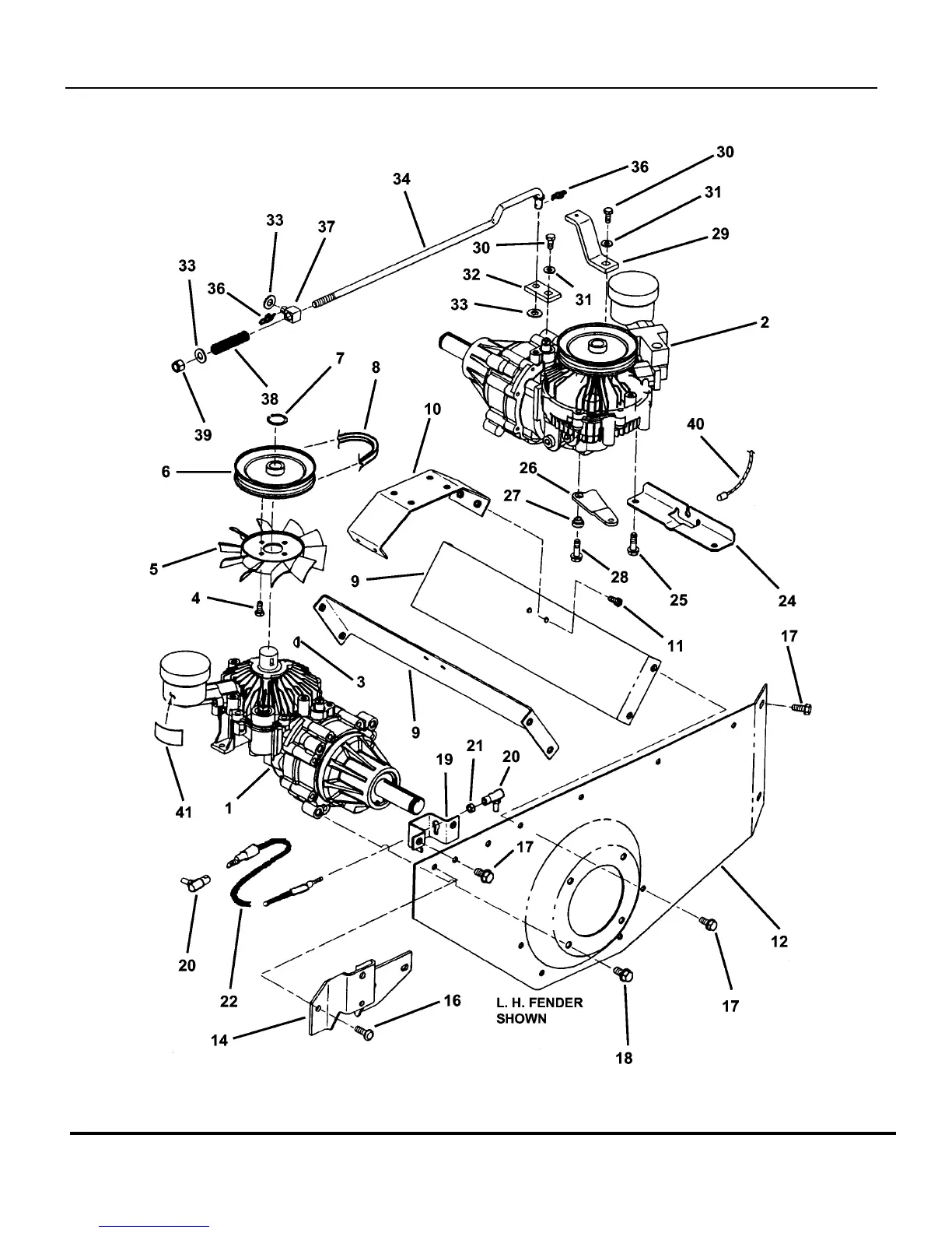
Fender & Transaxle Assembly
TP 400-5010-5-HZ-N
Manual No. 7006148 YARD CRUISER
HZ SERIES 3 & YZ SERIES 4
26

Related product manuals