EasyManua.ls Logo

SnoMaster ICE-2032 - Electrical Diagram; Maintenance

SnoMaster ICE-2032
12 pages
Print Icon
To Next Page IconTo Next Page
To Next Page IconTo Next Page
To Previous Page IconTo Previous Page
To Previous Page IconTo Previous Page
Loading...
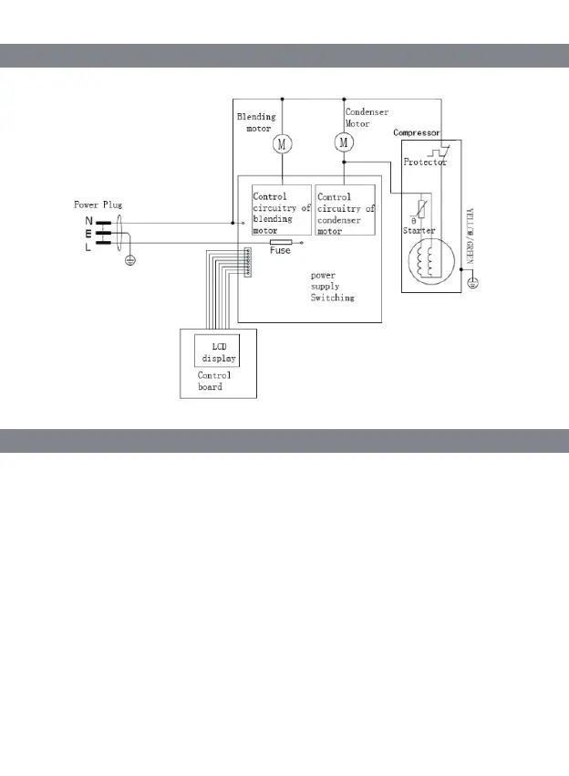
ELECTRICAL DIAGRAM
MAINTENANCE
Caution:
The plug must be removed before cleaning to avoid electric shock.
1Take out the mixing blade, wipe it with a dampened cloth
2Take out the removable bowl, clean it with a dampened soft cloth
3Wipe the transparent lid and refill lid with a dampened cloth
4Remove the dirty on the body or other places with a dampened cloth,
and do not pour water on cord, plug and ventilation, immerse the
appliance in water or any other liquid
5Allow drying thoroughly with a dry cloth, then return the component to
the home position.
1
1