EasyManua.ls Logo

Snorkel UL25 - Electrical Schematic D.C.

Snorkel UL25
115 pages
Print Icon
To Next Page IconTo Next Page
To Next Page IconTo Next Page
To Previous Page IconTo Previous Page
To Previous Page IconTo Previous Page
Loading...
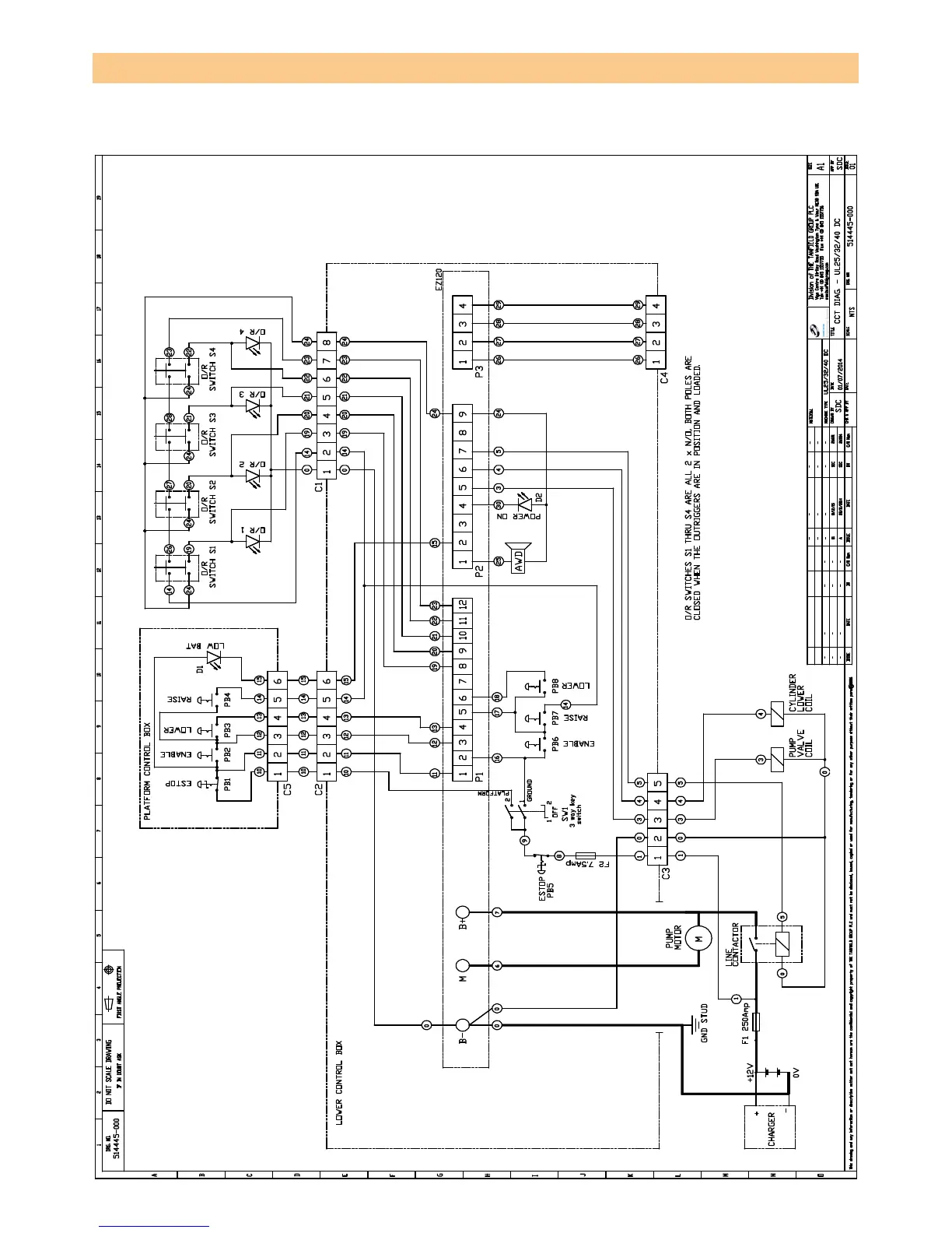
Page 5 - 3UL25/UL32/UL40
SCHEMATICS
ELECTRICAL SCHEMATIC D.C. - 514445-000

Table of Contents

Other manuals for Snorkel UL25

Related product manuals