EasyManua.ls Logo

Solar HT1224 - Page 9

Solar HT1224
14 pages
Print Icon
To Next Page IconTo Next Page
To Next Page IconTo Next Page
To Previous Page IconTo Previous Page
To Previous Page IconTo Previous Page
Loading...
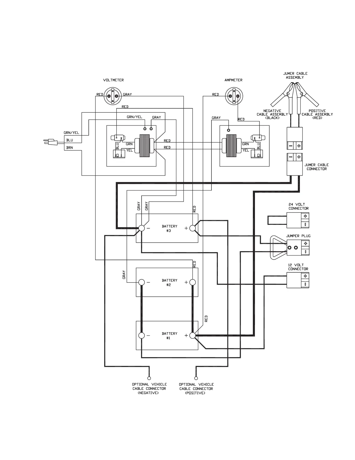
FMB1224, 12/24 FIX MOUNT – Figure 2

Related product manuals