EasyManua.ls Logo

Solar HT1224AGM - Unit Wiring and Diagrams; Battery Replacement Details; Wiring Diagram

Default Icon
20 pages
Print Icon
To Next Page IconTo Next Page
To Next Page IconTo Next Page
To Previous Page IconTo Previous Page
To Previous Page IconTo Previous Page
Loading...
10. Connect green ground wire of Power Cord to bottom right bolt of charger mount and apply second 6-32
nut and tighten.
11. Connect the two fast on connectors of the Power Cord to the open terminals of the double male / single
female connectors on Charger #1 (Upper charger).
12. Make sure the battery type switch that is mounted by fan on dual charger is set to the type of battery
installed in unit. (STD for standard flooded cell batteries, AGM for AGM batteries.)
13. Plug in Power Cord to charge the batteries. The AMPS gauge will register the proper charge rate being
applied to the batteries. (Internally, both chargers will have a red LED lit showing the start of the charge
cycle.)
14. When the AMPS gauge reaches “0”, the batteries are fully charged and the unit is ready for use.
(Internally, both chargers will have a green LED lit showing charge cycle complete and both chargers in
maintain mode.)
15. Replace bottom front panel and secure with the (6) #8 x 1/2” Screws.
16. Replace the faceplate and secure with the (8) #8 x 1/2” Screws.
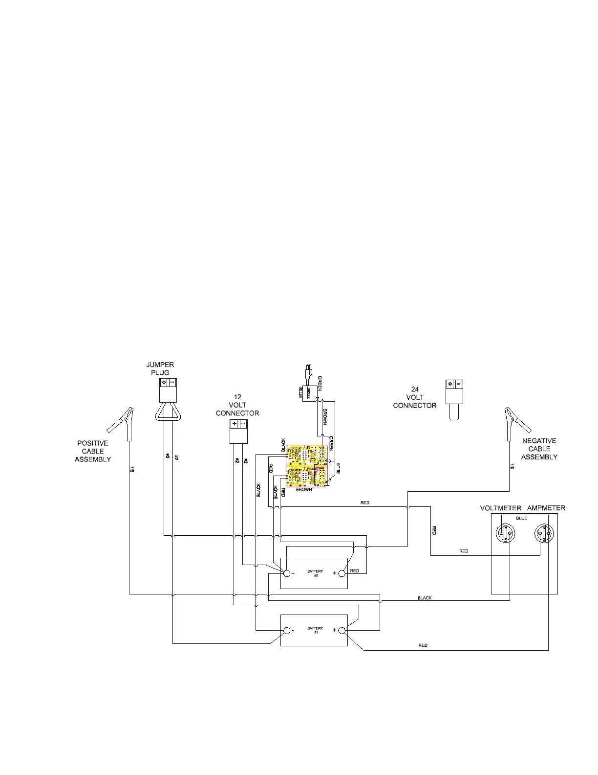
FIGURE 1 – HT1224AGM WIRING DIAGRAM

Related product manuals