EasyManua.ls Logo

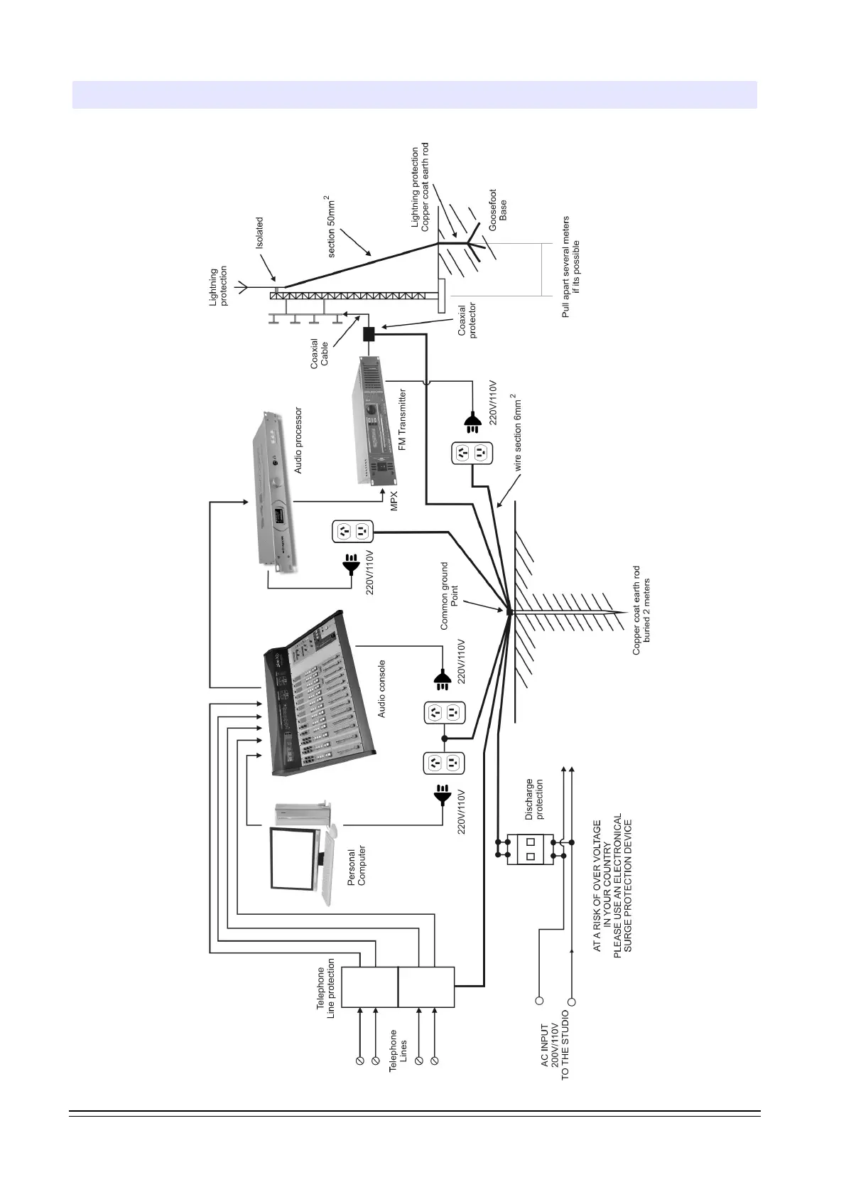
Solidyne DX 816 - Grounding Connection Diagram

Solidyne DX 816
29 pages
Print Icon
To Next Page IconTo Next Page
To Next Page IconTo Next Page
To Previous Page IconTo Previous Page
To Previous Page IconTo Previous Page
Loading...
 ""
  SOLIDYNE

Table of Contents