EasyManua.ls Logo

SOMMER twist 200 E - Wiring Diagram

SOMMER twist 200 E
36 pages
Print Icon
To Next Page IconTo Next Page
To Next Page IconTo Next Page
To Previous Page IconTo Previous Page
To Previous Page IconTo Previous Page
Loading...
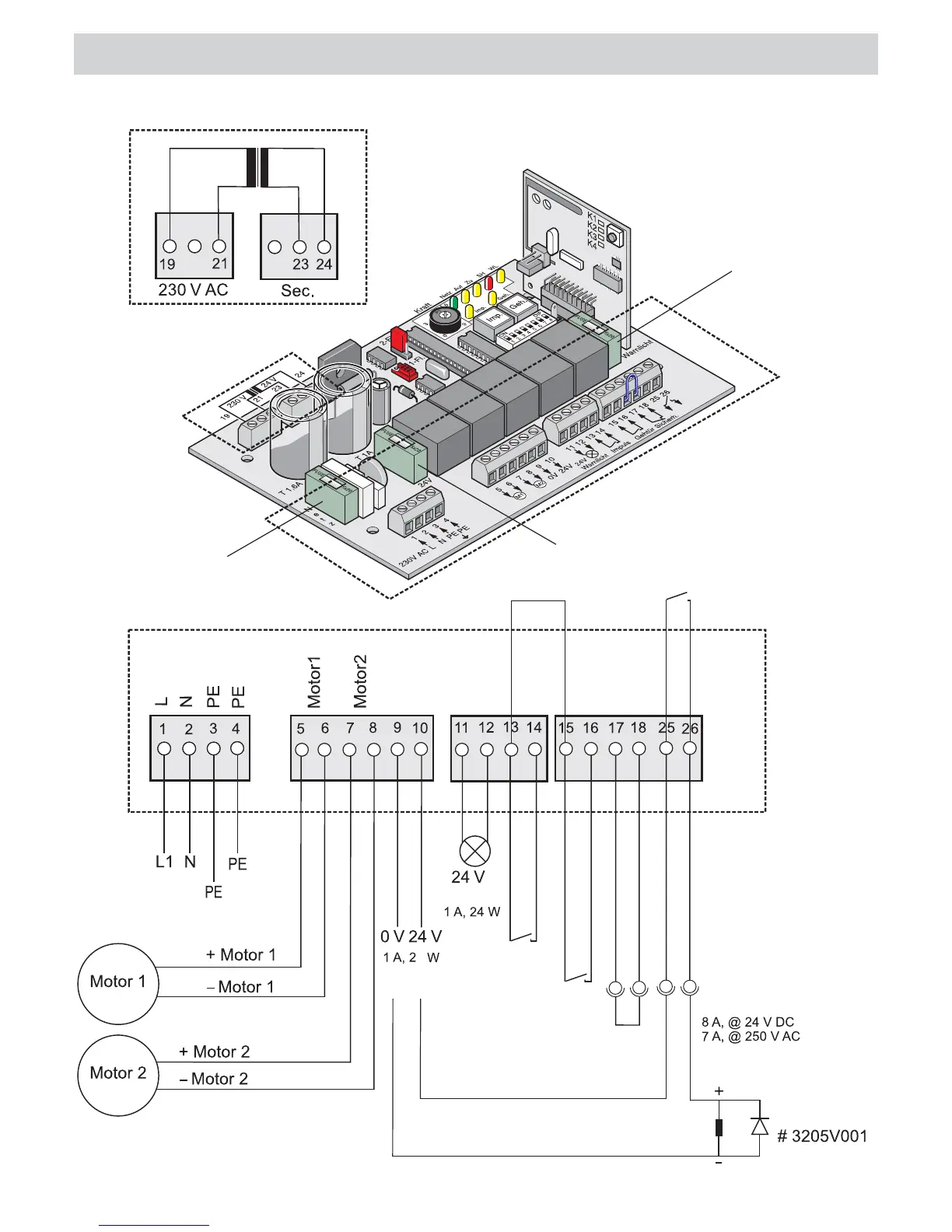
Wiring diagram
34
4
Mains fuse,
slow-acting,
1.6 A
Fuse 24 V DC (9, 10)
slow-acting,
1 A
Warning light fuse
(11,12),
slow-acting,
1 A
Internal
Walk-
through
gate
Safety
input
Pulse
E-lock
Warning light
Resistance
load
Resistance
load
Resistance
load
Internal
Relay
Safety
Button 2
Button 1
Brown
Blue
Brown
Blue
Warning
light
Ext.
consumers
Brown Violet
Wiring diagram

Related product manuals