EasyManua.ls Logo

Sony BVM-14E1E - Page 71

Sony BVM-14E1E
242 pages
Print Icon
To Next Page IconTo Next Page
To Next Page IconTo Next Page
To Previous Page IconTo Previous Page
To Previous Page IconTo Previous Page
Loading...
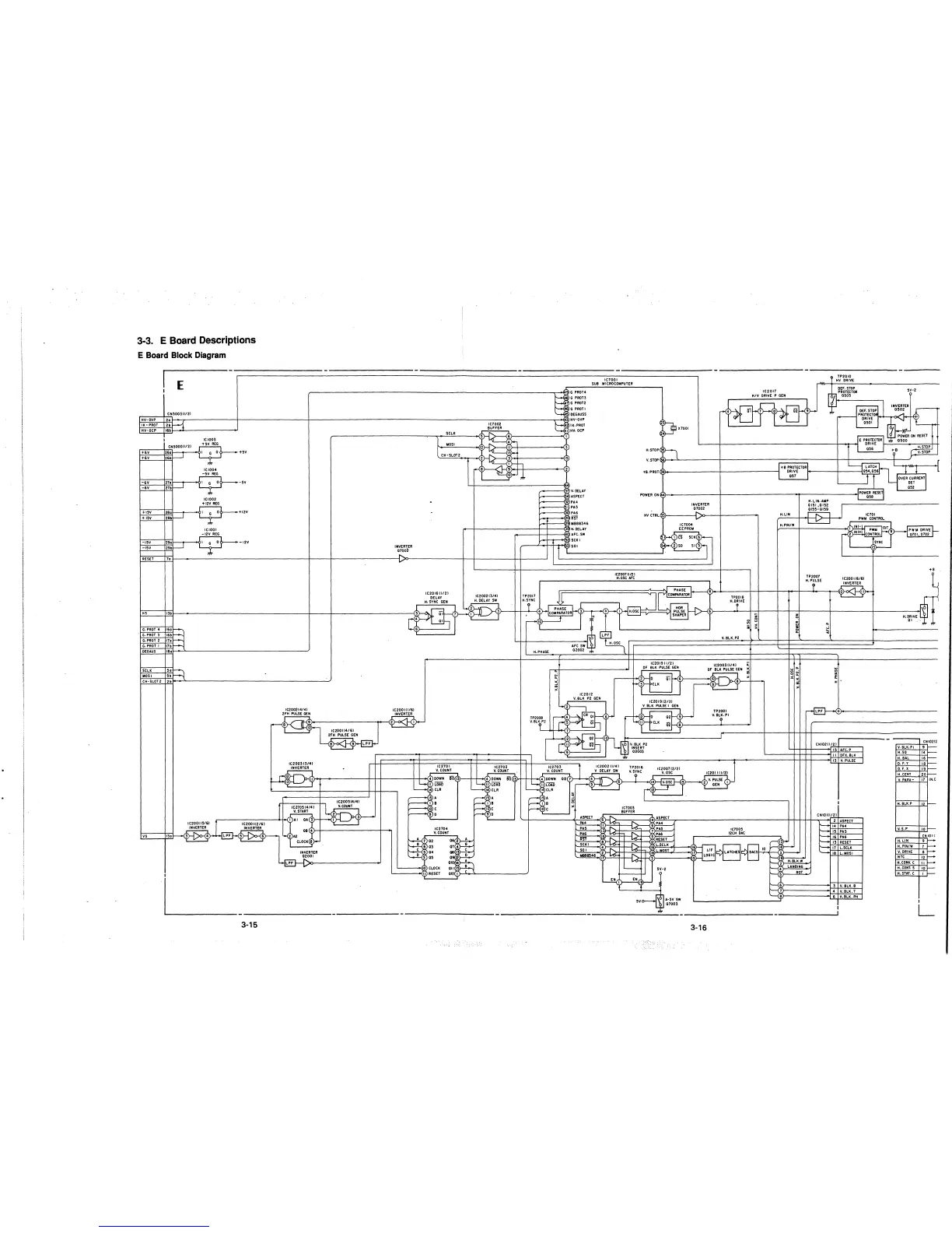
3-3.
E Board Descriptions
E Board Block Diagram
E
CN500311/21
HV-OVP
2a
IK-PROT
2b
HV· OCP 16b
ICI003
1' 5V REG
+6V
+5V
+6V
-sv
-5V
-6V
+15V
Tl2V
T 15V
-15\1 -12v
-15V
RESET 7a
HS 13b
G, PROT 4
G, PROT 3
G. PROT 2
G. PACT I
DEGAUS
SCLK
MOS!
CH-SLOT2
vs
3-15
IC2002(4/41
2FH PULSE GEN
IC200313/41
INVERTER
INVERTER
0700~
IC2001tl/61
INVERTER
SCLK
MOSI
CH-SLOT2
IC7001
SUB MICROCOMPUTER
----;•3 V. DELAY
1,....----04 ASPECT
'-'---<321 PA4
'-'---<'< I PA 5
i,-.----{30] PA6
i,-....-----{20)RST
i,-.,+----,Z9JMBBB346
.--+----------+-+----{3B)H,OELAY
-----!---!---,(.40)
AFC. SW
i,..+-.--{,5'2) SCK I
---'-o.+-+-..,-<s,3, SOI
IC200213/4)
H. DELAY SW
ASPECT
Pt.4
PA5
PA6
rn
SCKI
SO I
Me88346
H.STOP
IC2017
H/V DRIVE P GEN
+ 8 PROTECTOR
TP2010
HV DRIVE
!}o----------t-----------J DRIVE '4'-----!f------!101
057
POWER ON(w,-...--------1------------+f'--------~
INVERTER
07002
HV CTRL@3J.------j >',>-----t-------i
3-16
TP20l8
H.DRlVE
V. BLK.P2
TP2001
V. BLK. Pl
,_
z
~
8
i
,.
"'
..
~
,.
H.LlN
H.PIN/W
i!!i
..
~
Ir
u ..
~~
z~
,.
H, LIN, AMP
0151 ,0152
0155-0159
TP2007
H. PULSE
~
"'
"'
i
"'
IC200116/61
INVERTER
CNl0211/21
1
~
AFC. P
11 OFX. BLK
13 V. PULSE
CNIOlll/21
2
ASPECT
14
PA4
15
PA,
16 PA6
13 RESET
17 L.SCLK
18 L.MOSI
3 V. BLK. B
4 V,BLK.T
6 H.BLK. PH
, __
,.-, _,PWM DRIVE
0701 0702
+B
H. DRIVE
0 I
CNI02!2
V,
BU<.PI
9 .__
H.SO
14 '--
H. BAL
,s-
0, F. Y
18 '--
0. F. X
19-
H. CENT 20-
V. PARA-
17
tN.C
H. BLk.P
12'--
V. S.P 10>---
CN IOI!
H. LIN 9 I-+
H.PIN/W
T
1--o
V. DRIVE
8 I-+
NTC
12~
H,CONV. C
II 1--o
H. CONT. S
10 >---
H, STAT. C
I
>---
I
L

Related product manuals