EasyManua.ls Logo

Sony BVM-14E1E - Page 74

Sony BVM-14E1E
242 pages
Print Icon
To Next Page IconTo Next Page
To Next Page IconTo Next Page
To Previous Page IconTo Previous Page
To Previous Page IconTo Previous Page
Loading...
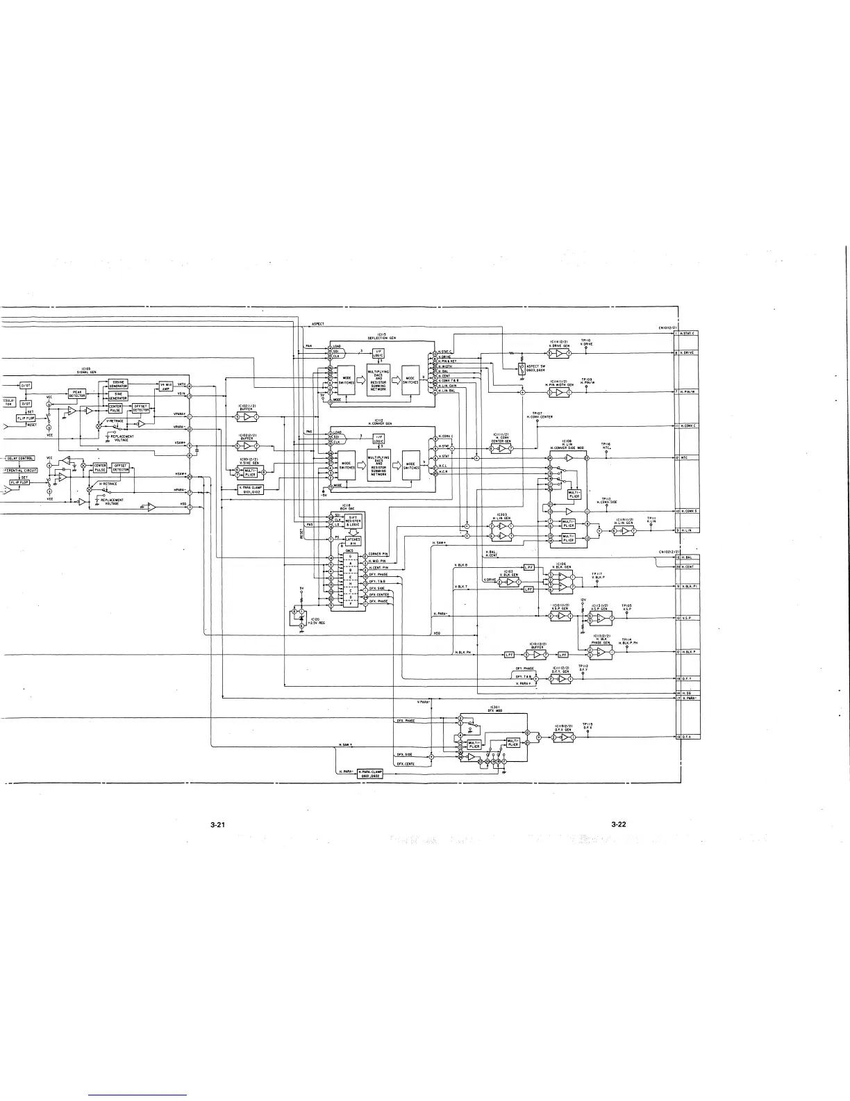
IC10~
SIGNAL GEN
3-21
PA4
...
ASPECT
H.SAW +
H. PARA-
ICII~
DEFLECTION GEN
ICll2
H.CONVER GEN
V.
PARA-
OFX. PHASE
H. SAW+
V. BLK.9
V,BLK.T
H. PARA-
HSO
H. BLI<. PH
r,--'O"-F-"X'-'. Se,ID<,E'---..f+·'>-----6
DFX.CENTE
IClllll/2l
H. CONY
CENTER GEN
TPI07
ICll412/21
V. DRIVE GEN
H. CONV. CENTER
TPIIO
V. DRIVE
TPI09
H. PIN/W
12V
TP112
OS.Y
TP 117
V. BLK.P
TPI I~
O,F.X
TPIO~
v.s.P
TPI 14
H. BLK.P. PH
3-22
TPIII
H.LIN
CNl01(2/2l
I H.STAT,C
8 V.ORIVE
7
H. PIN/W
II H.CONV,C
12 NTC
10 H.-CONY. S
9
H.LIN
9 v.eu<.P1
ro v.s.P
12 H, BLK. P
18 O.F. Y
14 H.
SD
17 V. PARA-
19 O.F.X

Related product manuals